PRODUCTS

  • Home
  • Giới thiệu sản phẩm

FAG
20216-TVP
Barrel roller bearing 20216-TVP
Thêm vào yêu cầu báo giá
Main Dimensions & Performance Data
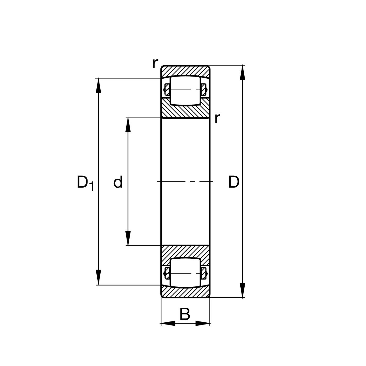
d
80 mm
Bore diameter
D
140 mm
Outside diameter
B
26 mm
Width
Cr
126,000 N
Basic dynamic load rating, radial
C0r
163,000 N
Basic static load rating, radial
Cur
15,900 N
Fatigue load limit, radial
nG
5,200 1/min
Limiting speed
≈m
1.519 kg
Weight

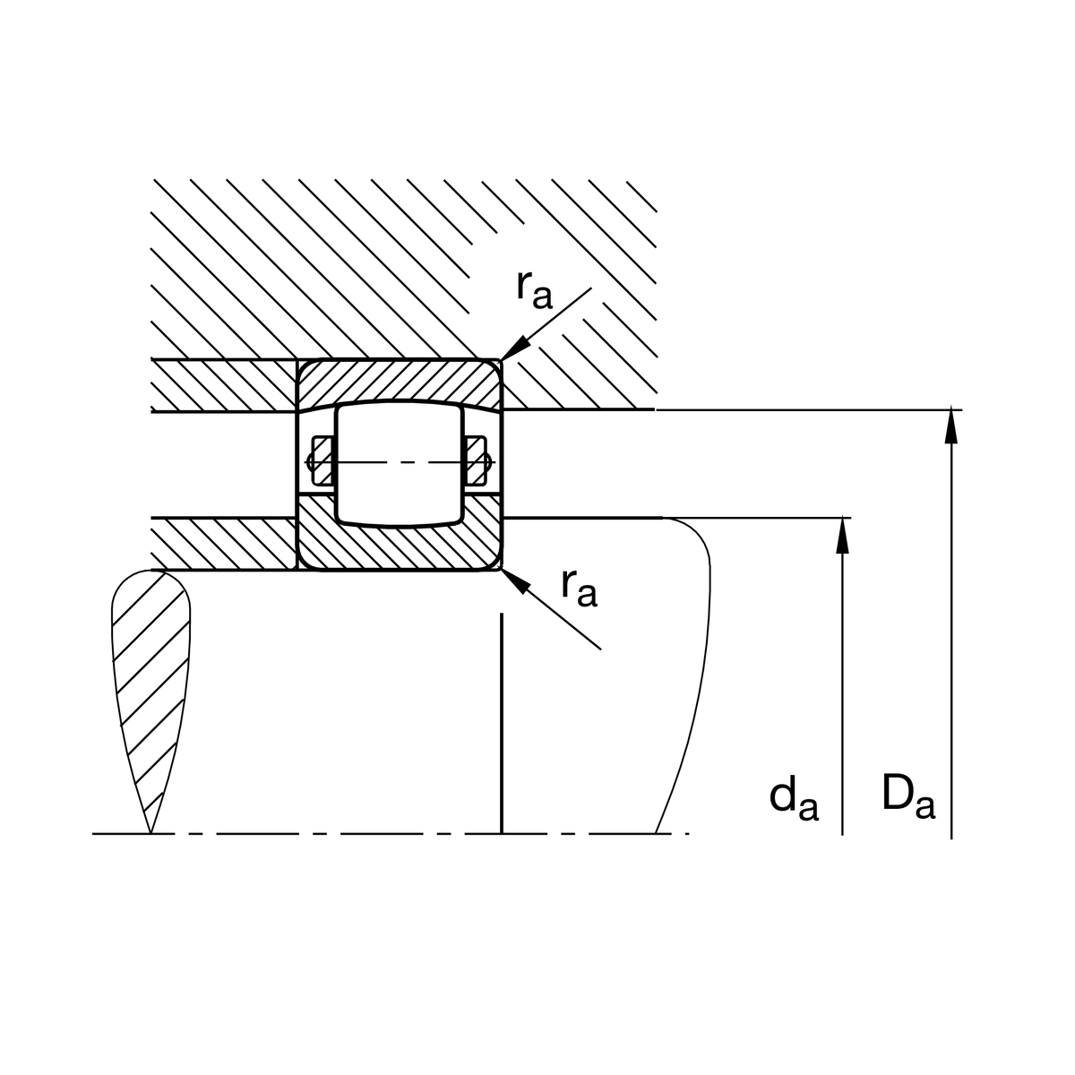
Mounting dimensions
da min
91 mm
Minimum diameter shaft shoulder
Da max
129 mm
Maximum diameter of housing shoulder
ra max
2 mm
Maximum recess radius

Dimensions
rmin
2 mm
Minimum chamfer dimension
D1
124.5 mm
Bore diameter outer ring

Temperature range
Tmin
-30 °C
Operating temperature min.
Tmax
120 °C
Operating temperature max.

Your current product variant
Bore typeZCylindrical
CageTVPPlastic cage
Radial internal clearanceCN (Group N)Normal internal clearance
Thêm vào yêu cầu báo giá