PRODUCTS

  • Home
  • Giới thiệu sản phẩm

FAG
1216-TVH-C3>N
Self-aligning ball bearing 1216-TVH-C3>N
Thêm vào yêu cầu báo giá
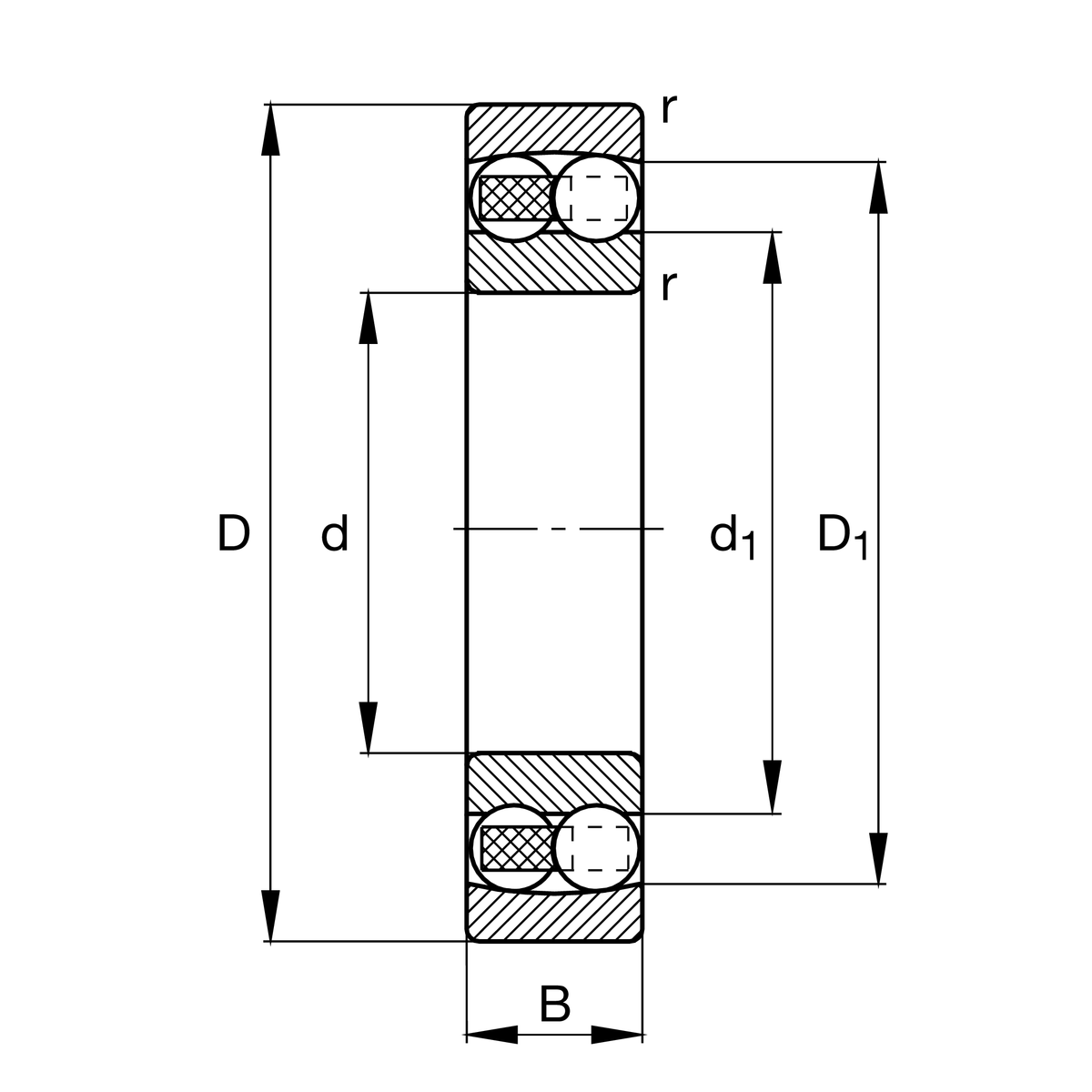
Main Dimensions & Performance Data
d
80 mm
Bore diameter
D
140 mm
Outside diameter
B
26 mm
Width
Cr
40,000 N
Basic dynamic load rating, radial
C0r
17,000 N
Basic static load rating, radial
Cur
1,020 N
Fatigue load limit, radial
nG
5,300 1/min
Limiting speed
nϑr
5,100 1/min
Reference speed
≈m
1.67 kg
Weight

Mounting dimensions
da min
91 mm
Minimum diameter shaft shoulder
Da max
129 mm
Maximum diameter of housing shoulder
ra max
2 mm
Maximum fillet radius

Dimensions
rmin
2 mm
Minimum chamfer dimension
D1
122.07 mm
Shoulder diameter outer ring
d1
101.95 mm
Shoulder diameter inner ring

Temperature range
Tmin
-30 °C
Operating temperature min.
Tmax
120 °C
Operating temperature max.

Calculation factors
e
0.16
Limiting value of Fa/Fr for the applicability of diff. Values of factors X and Y
Y1
3.93
Dynamic axial load factor
Y2
6.08
Dynamic axial load factor
Y0
4.12
Static axial load factor

Your current product variant
Version code>NNot marked on bearing
Bore typeZCylindrical
SealingWithoutNot sealed
CageTVHsolid cage made of glass-fiber reinforced polyamid PA66
Tolerance classPNNormal (PN)
LubricantWithoutBearing not greased
Radial internal clearanceC3 (Group 3)Internal clearance larger than CN
Thêm vào yêu cầu báo giá