PRODUCTS

  • Home
  • Giới thiệu sản phẩm

FAG
16003-A
Deep groove ball bearing 16003-A
Thêm vào yêu cầu báo giá
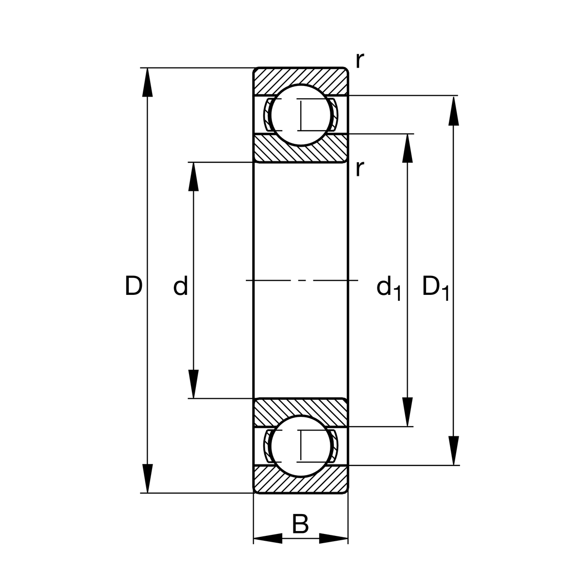
Main Dimensions & Performance Data
d
17 mm
Bore diameter
D
35 mm
Outside diameter
B
8 mm
Width
Cr
6,000 N
Basic dynamic load rating, radial
C0r
3,250 N
Basic static load rating, radial
Cur
207 N
Fatigue load limit, radial
nG
31,000 1/min
Limiting speed
nϑr
17,700 1/min
Reference speed
≈m
0.032 kg
Weight

Mounting dimensions
da min
19 mm
Minimum diameter shaft shoulder
Da max
33 mm
Maximum diameter of housing shoulder
ra max
0.3 mm
Maximum fillet radius

Dimensions
rmin
0.3 mm
Minimum chamfer dimension
D1
29.46 mm
Shoulder diameter outer ring
D2
31.65 mm
Caliber diameter outer ring
d1
22.8 mm
Shoulder diameter inner ring

Temperature range
Tmin
-30 °C
Operating temperature min.
Tmax
120 °C
Operating temperature max.

Calculation factors
f0
14.3
Calculation factor

Your current product variant
Changed internal designADesign variant A
SealingWithoutNot sealed
CageJNsteel sheet metal
Tolerance classPNNormal (PN)
Dimensional / heat stabilization SNRings dimensional stabilized up to 120°
LubricantWithoutBearing not greased
Bore typeZCylindrical
Radial internal clearanceCN (Group N)Normal internal clearance
Thêm vào yêu cầu báo giá