PRODUCTS

  • Home
  • Giới thiệu sản phẩm

FAG
UCFL216-50
Flanged housing unit UCFL216-50
Thêm vào yêu cầu báo giá
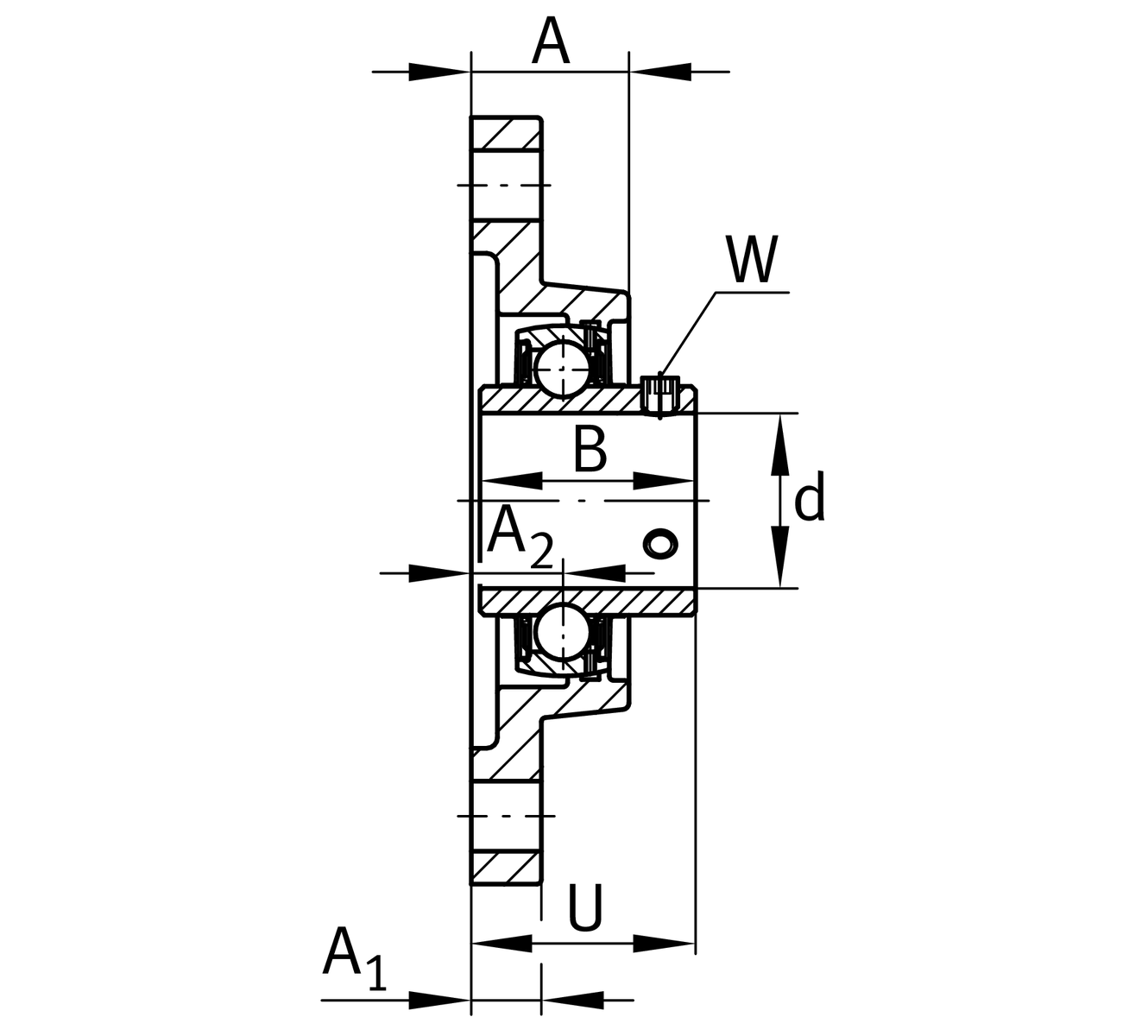
Main Dimensions & Performance Data
d
79.375 mm
Bore diameter
L
180 mm
Flange width
H
290 mm
Height flange
U
83.3 mm
Total height unit
Cr
76,000 N
Basic dynamic load rating, radial
C0r
54,000 N
Basic static load rating, radial
Cur
2,190 N
Fatigue load limit, radial
≈m
7.29 kg
Weight

Mounting dimensions
J
233 mm
Distance fixing bore
N
25 mm
Fixing bore
n
2
Number of screwing holes

Dimensions
A
58 mm
Height housing
A1
24 mm
Thickness of flange
A2
34 mm
Distance raceway
B
82.8 mm
Width
Q
M6
Connection thread for lubrication

Additional information
1
Number of housings
FL216
Housing
UC216-50
Bearing designation

Temperature range
Tmin
-20 °C
Operating temperature min.
Tmax
120 °C
Operating temperature max.

Your current product variant
MaterialGGGrey cast iron
Thêm vào yêu cầu báo giá