PRODUCTS

  • Home
  • Giới thiệu sản phẩm

FAG
UCT216-49
Take-up housing unit UCT216-49
Thêm vào yêu cầu báo giá
Main Dimensions & Performance Data
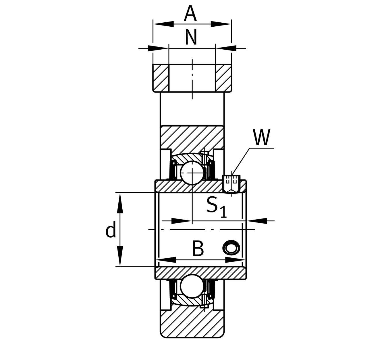
d
77.79 mm
Bore diameter
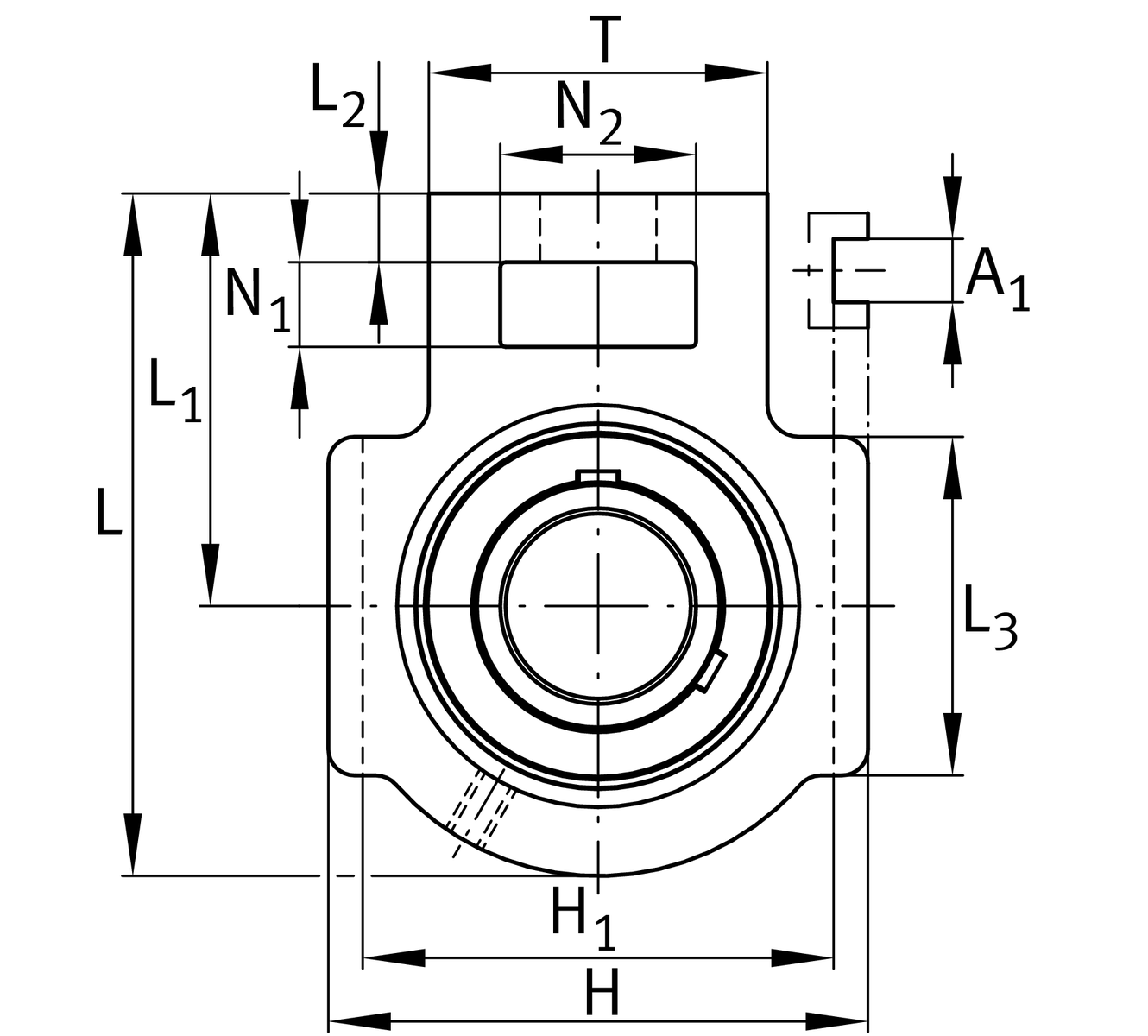
H
184 mm
Height
L
235 mm
Length total
≈m
8.27 kg
Weight

Mounting dimensions
A1
26 mm
Width guidance groove
0.3 mm
Upper width guidance groove tolerance
0 mm
Lower width guidance groove tolerance
H1
165 mm
Distance guidance grooves
0 mm
Upper distance guidance groove tolerance
-0.8 mm
Lower distance guidance groove tolerance
N
41 mm
Fixing bore

Dimensions
L1
140 mm
Distance shaft axis
L2
21 mm
Length fixed link
L3
121 mm
Length guidance groove
A
70 mm
Width housing fixing side
N1
32 mm
Width recess
N2
70 mm
Height recess
B
82.6 mm
Width inner ring
S1
49.3 mm
Distance of raceway to locking collar
T
111 mm
Height housing fixing side
Q
M6
Connection thread for lubrication
A2
51 mm
Width housing

Additional information
T216
Housing
UC216-49
Bearing designation

Temperature range
Tmin
-20 °C
Operating temperature min.
Tmax
120 °C
Operating temperature max.

Your current product variant
MaterialGGGrey cast iron
Thêm vào yêu cầu báo giá