PRODUCTS
- Home
- Giới thiệu sản phẩm
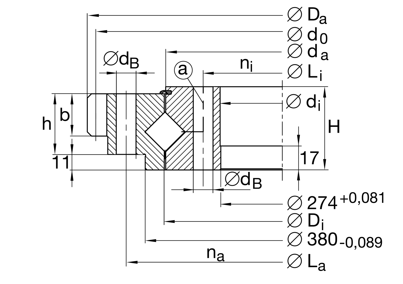
| d1 | 274 mm | Bore Diameter |
| diZT | 274 mm | Diameter centring inner ring |
0.081 mm | Diameter centring inner ring upper tolerance | |
0 mm | Diameter centring inner ring lower tolerance | |
| t | 17 mm | Length centering inner ring |
| Da | 462 mm | Outside Diameter |
| Di | 380 mm | Diameter centring outer ring |
0 mm | Diameter centring outer ring upper tolerance | |
-0.089 mm | Diameter centring outer ring lower tolerance | |
| T | 11 mm | Length centering outer ring |
| H | 59 mm | Height |
| ≈m | 34.5 kg | Weight |
| Di | 353 mm | Inner diameter outer ring |
| ha | 54 mm | Width outer ring |
| La | 407 mm | Pitchcircle diameter fixing holes outer ring |
| na | 24 | Number of fixing holes in outer ring |
| b | 30 mm | Width gearing |
| m | 6 mm | Modul of gearing |
| z | 75 | Number of teeth |
| d0 | 450 mm | Pitch circle diameter gearing |
| Fz norm | 20,900 N | Max. tooth force root fatigue strenght (at a shock factor of 1,2) |
| Fz max | 34,500 N | Max. tooth force against tooth fracture (at a shock factor of 1,35) |
| da | 351 mm | Outside diameter inner ring |
| dB | 14 mm | Fixing bore |
| Li | 298 mm | Pitchcircle diameter fixing holes inner ring |
| ni | 24 | Number of fixing holes in inner ring |
| Tmin | -30 °C | Operating temperature min. |
| Tmax | 80 °C | Operating temperature max. |
| Ca | 315,000 N | Basic dynamic load rating, axial |
| C0a | 780,000 N | Basic static load rating, axial |
| Cr | 225,000 N | Basic dynamic load rating, radial (for radial load only) |
| C0r | 380,000 N | Basic static load rating, radial (for radial load only) |
| VSPmax | 0.02 mm | Maximum bearing preload |
| VSPmin | 0 mm | Min. bearing preload |
| Fr zul | 99,100 N | Max. radial load fixing screws (friction locking) |
| Gearing | H | Hardened gear teeth on bearing ring |