PRODUCTS

  • Home
  • Giới thiệu sản phẩm

INA
3001-2RS-L460
Angular contact ball bearing 3001-2RS-L460
Thêm vào yêu cầu báo giá
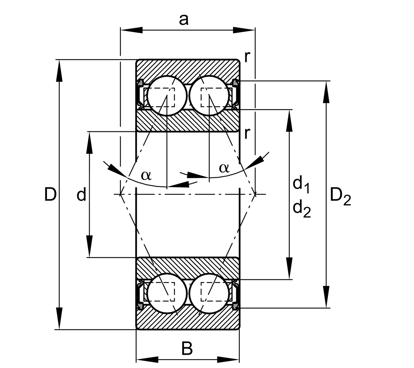
Main Dimensions & Performance Data
d
12 mm
Bore diameter
D
28 mm
Outside diameter
B
12 mm
Width
Cr
6,100 N
Basic dynamic load rating, radial
C0r
3,700 N
Basic static load rating, radial
Cur
193 N
Fatigue load limit, radial
nG
15,800 1/min
Limiting speed
≈m
0.037 kg
Weight

Mounting dimensions
da min
14 mm
Minimum diameter shaft shoulder
Da max
26 mm
Maximum diameter of housing shoulder
ra max
0.3 mm
Maximum fillet radius

Dimensions
rmin
0.3 mm
Minimum chamfer dimension
D1
22.5 mm
Shoulder diameter outer ring
D2
23.16 mm
Caliber diameter outer ring
d1
17.6 mm
Shoulder diameter inner ring
d2
16.4 mm
Caliber diamter inner ring
a
13.5 mm
Distance between the apexes of the pressure cones
α
25 °
Contact angle

Temperature range
Tmin
-30 °C
Operating temperature min.
Tmax
100 °C
Operating temperature max.

Your current product variant
Design variantBBearing without filling slot
Sealing2RSContact seal on both sides
CageTVHsolid cage made of glass-fiber reinforced polyamid PA66
Tolerance classPNNormal (PN)
Dimensional / heat stabilization SNRings dimensional stabilized up to 120°
LubricantL460Grease (L460/customer specific)
Axial internal clearanceCNGroup N (CN)
Thêm vào yêu cầu báo giá