PRODUCTS

  • Home
  • Giới thiệu sản phẩm

INA
ZKLF1560-2RS-PE
Axial angular contact ball bearing ZKLF1560-2RS-PE
Thêm vào yêu cầu báo giá
Main Dimensions & Performance Data
d
15 mm
Bore diameter
0 mm
Bore diameter upper tolerance
-0.01 mm
Bore diameter lower tolerance
D
60 mm
Outside diameter
0 mm
Outside diameter upper tolerance
-0.013 mm
Outside diameter lower tolerance
B
25 mm
Width
0 mm
Width upper tolerance
-0.25 mm
Width lower tolerance
Ca
18,000 N
Basic dynamic load rating, axial
C0a
28,500 N
Basic static load rating, axial
Cua
1,300 N
Fatigue load limit, axial
nG Grease
8,200 1/min
Limiting speed for grease lubrication
nϑ
3,500 1/min
Thermally safe operating speed
MR
0.2 Nm
Bearing frictional torque
≈m
0.428 kg
Weight

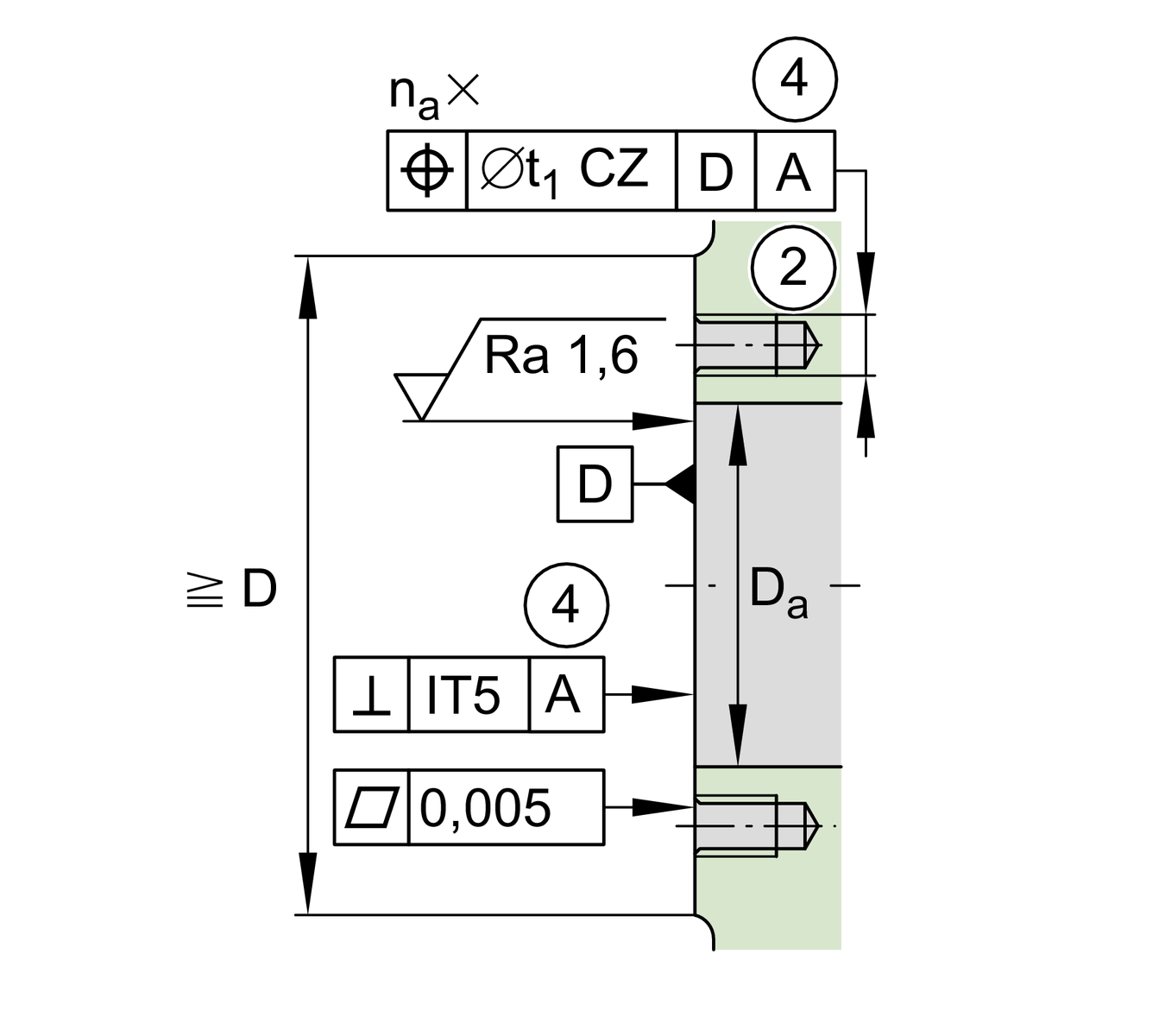
Mounting dimensions
Da max
35 mm
Maximum diameter of housing
da min
20 mm
Minimum diameter shaft
t1
0.1 mm
Position tolerance of bore in the housing
M6
Size of fixing screws
na
3
Number of holes in adjacent construction
ta
120 °
Pitch separation angle of holes in adjacent construction
M6
Connection thread for lubrication

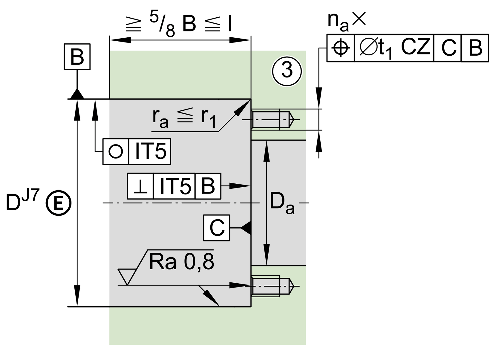
Dimensions
d1
28 mm
Rib diameter inner ring
rmin
0.3 mm
Minimum chamfer dimension
r1 min
0.6 mm
Minimum chamfer dimension
J
46 mm
Pitch circle diameter fixing holes
d2
6.8 mm
Fixing holes diameter
b
3 mm
Width of extraction slot
I
17 mm
Distance of extraction slot
n
3
Pitch quantity of fixing holes
t
120 °
Pitch separation angle of fixing holes
a
60 °
Contact angle

Temperature range
Tmin
-30 °C
Operating temperature min.
Tmax
120 °C
Operating temperature max.

Additional information
caL
400 N/µm
Rigidity axial
ckL
65 Nm/mrad
Tilting rigidity
Mm
0.102 kg*cm2
Mass moment of inertia
5 µm
Axial runout
ZM15
Recommended INA precision locknut for radial locking
AM15
Recommended INA precision locknut for axial locking
MA
10 Nm
Tightening torque for the recommended INA precision locknut
5,484 N
Required locknut force axial

Your current product variant
Sealing2RSContact lip seals on both sides
Tolerance classPELess stringent bearing design
Thêm vào yêu cầu báo giá