PRODUCTS

  • Home
  • Giới thiệu sản phẩm

INA
BK0609-B-L271
Drawn cup needle roller bearing closed end BK0609-B-L271
Thêm vào yêu cầu báo giá
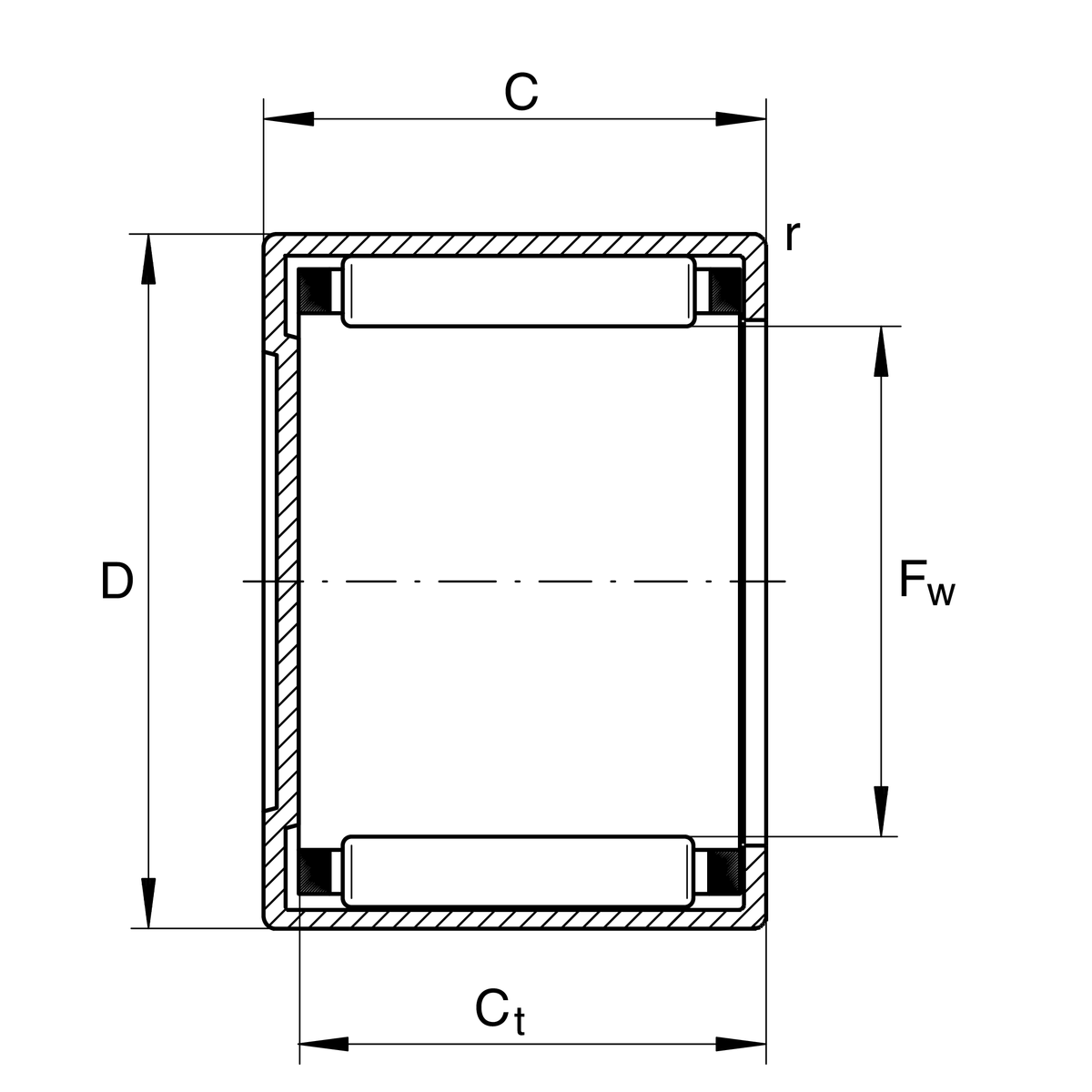
Main Dimensions & Performance Data
Fw
6 mm
Under roller diameter
D
10 mm
Outside diameter
C
9 mm
Width, outer ring
Cr
2,850 N
Basic dynamic load rating, radial
C0r
2,600 N
Basic static load rating, radial
Cur
320 N
Fatigue load limit, radial
nG Grease
21,900 1/min
Limiting speed for grease lubrication
nG
36,500 1/min
Limiting speed
nϑr
30,500 1/min
Reference speed
≈m
2.6 g
Weight

Dimensions
rmin
0.4 mm
Minimum chamfer dimension
Ct min
7.4 mm
Minimum width to base of drawn cup with closed end

Temperature range
Tmin
-30 °C
Operating temperature min.
Tmax
140 °C
Operating temperature max.

Additional information
GR6X10X2
Sealing ring

Your current product variant
LubricantL271Grease (L271/customer specific)
Lubrication holeWithout
CoatingWithout
SealingWithout
Thêm vào yêu cầu báo giá