PRODUCTS

  • Home
  • Giới thiệu sản phẩm

FAG
UCFL215-47
Flanged housing unit UCFL215-47
Thêm vào yêu cầu báo giá
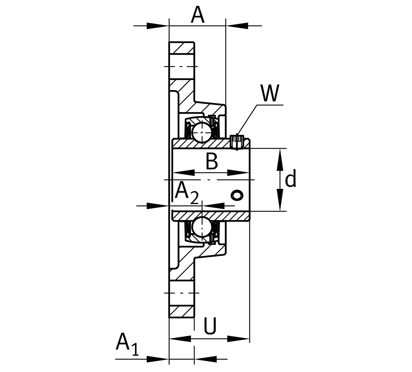
Main Dimensions & Performance Data
d
74.612 mm
Bore diameter
L
165 mm
Flange width
H
275 mm
Height flange
U
78.5 mm
Total height unit
Cr
66,000 N
Basic dynamic load rating, radial
C0r
44,500 N
Basic static load rating, radial
Cur
1,880 N
Fatigue load limit, radial
≈m
5.73 kg
Weight

Mounting dimensions
J
225 mm
Distance fixing bore
N
23 mm
Fixing bore
n
2
Number of screwing holes

Dimensions
A
56 mm
Height housing
A1
24 mm
Thickness of flange
A2
34 mm
Distance raceway
B
77.8 mm
Width
Q
M6
Connection thread for lubrication

Additional information
1
Number of housings
FL215
Housing
UC215-47
Bearing designation

Temperature range
Tmin
-20 °C
Operating temperature min.
Tmax
120 °C
Operating temperature max.

Your current product variant
MaterialGGGrey cast iron
Thêm vào yêu cầu báo giá