PRODUCTS
- Home
- Giới thiệu sản phẩm
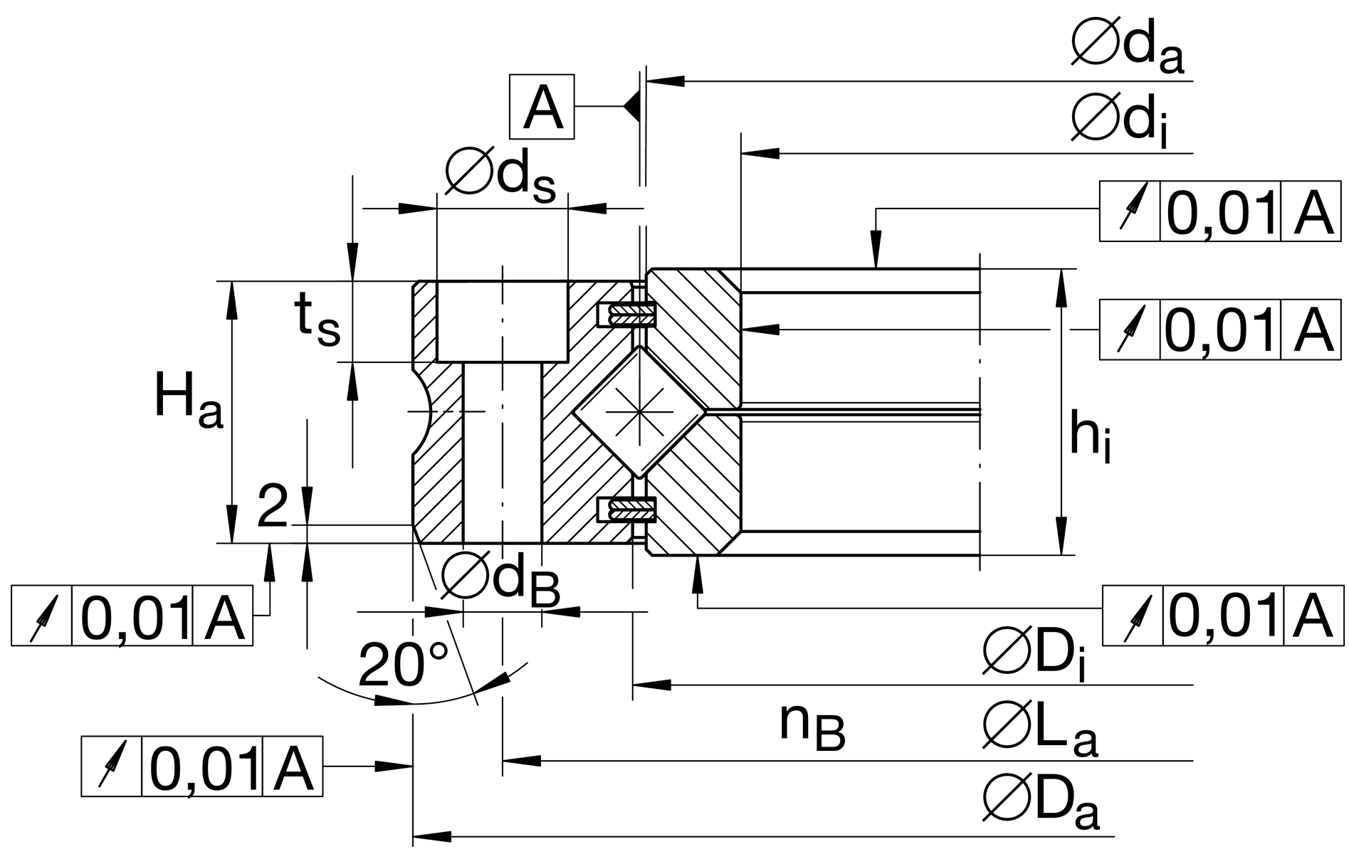
| d1 | 70 mm | Bore Diameter |
0.013 mm | Bore diameter upper tolerance | |
-0.006 mm | Bore diameter lower tolerance | |
| Da | 120 mm | Outside Diameter |
0 mm | Outside diameter upper tolerance | |
-0.022 mm | Outside diameter lower tolerance | |
| hi | 17 mm | heigth inner ring |
| ≈m | 0.783 kg | Weight |
| Di | 84.5 mm | Inner diameter outer ring |
| da | 83.5 mm | outer diameter inner ring |
| Ha | 16 mm | width outer ring |
| La | 105 mm | pitch circle diameter fixing holes |
| nB | 16 | Quantity of fixed holes evenly around the circumfence |
| dB | 5.6 mm | diameter fixing hole outer ring |
| dS | 10 mm | countersunk diameter of fixing holes |
| tS | 5.4 mm | countersunk depth of fixing holes |
| Tmin | -30 °C | Operating temperature min. |
| Tmax | 80 °C | Operating temperature max. |
0.01 mm | Running accuracy, radial | |
0.01 mm | Running accuracy, axial | |
| Ca | 23,600 N | Basic dynamic load rating, axial |
| C0a | 70,000 N | Basic static load rating, axial |
| Cr | 16,900 N | Basic dynamic load rating, radial (for radial load only) |
| C0r | 34,500 N | Basic static load rating, radial (for radial load only) |
| Fr zul. | 10,900 N | Max. radial load screws (frictional contact) |
| NG Grease | 910 1/min | Limiting speed for grease lubrication with normal clearance |
| NG Grease | 455 1/min | Limiting speed for grease lubrication with preload |