PRODUCTS

  • Home
  • Giới thiệu sản phẩm

INA
BF7035
Flat cage BF7035
Thêm vào yêu cầu báo giá
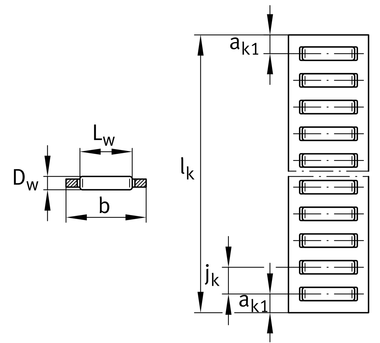
Main Dimensions & Performance Data
lk max
6,000 mm
Max. length 1
DW
7 mm
Rolling element diameter
b
35 mm
C
179,800 N
Load capacity dyn. 2
C0
416,200 N
Load capacity stat. 2
≈m
1,080 g/m
Weight

Mounting dimensions
EB
35.6 mm
Tol EB
+0,3
tolerance
EB1
30 mm
min.
EH
6.5 mm

Dimensions
LW
30 mm
Length rolling element
jk
11 mm
ak1
7.5 mm

Your current product variant
Size code7035
Thêm vào yêu cầu báo giá