PRODUCTS

  • Home
  • Giới thiệu sản phẩm

INA
BF5032
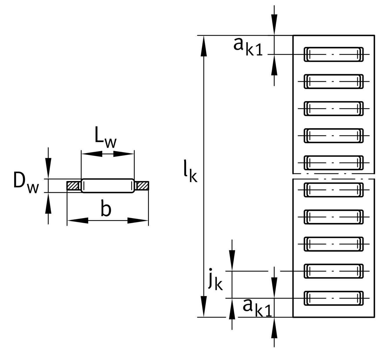
Flat cage BF5032
Thêm vào yêu cầu báo giá
Main Dimensions & Performance Data
lk max
6,000 mm
Max. length 1
DW
5 mm
Rolling element diameter
b
32 mm
C
139,500 N
Load capacity dyn. 2
C0
375,600 N
Load capacity stat. 2
≈m
722 g/m
Weight

Mounting dimensions
EB
32.5 mm
Tol EB
+0,3
tolerance
EB1
28 mm
min.
EH
4.6 mm

Dimensions
LW
27.8 mm
Length rolling element
jk
8 mm
ak1
5.5 mm

Your current product variant
Size code5023
Thêm vào yêu cầu báo giá