PRODUCTS

  • Home
  • Giới thiệu sản phẩm

FAG
UKFC216
Flanged housing unit UKFC216
Thêm vào yêu cầu báo giá
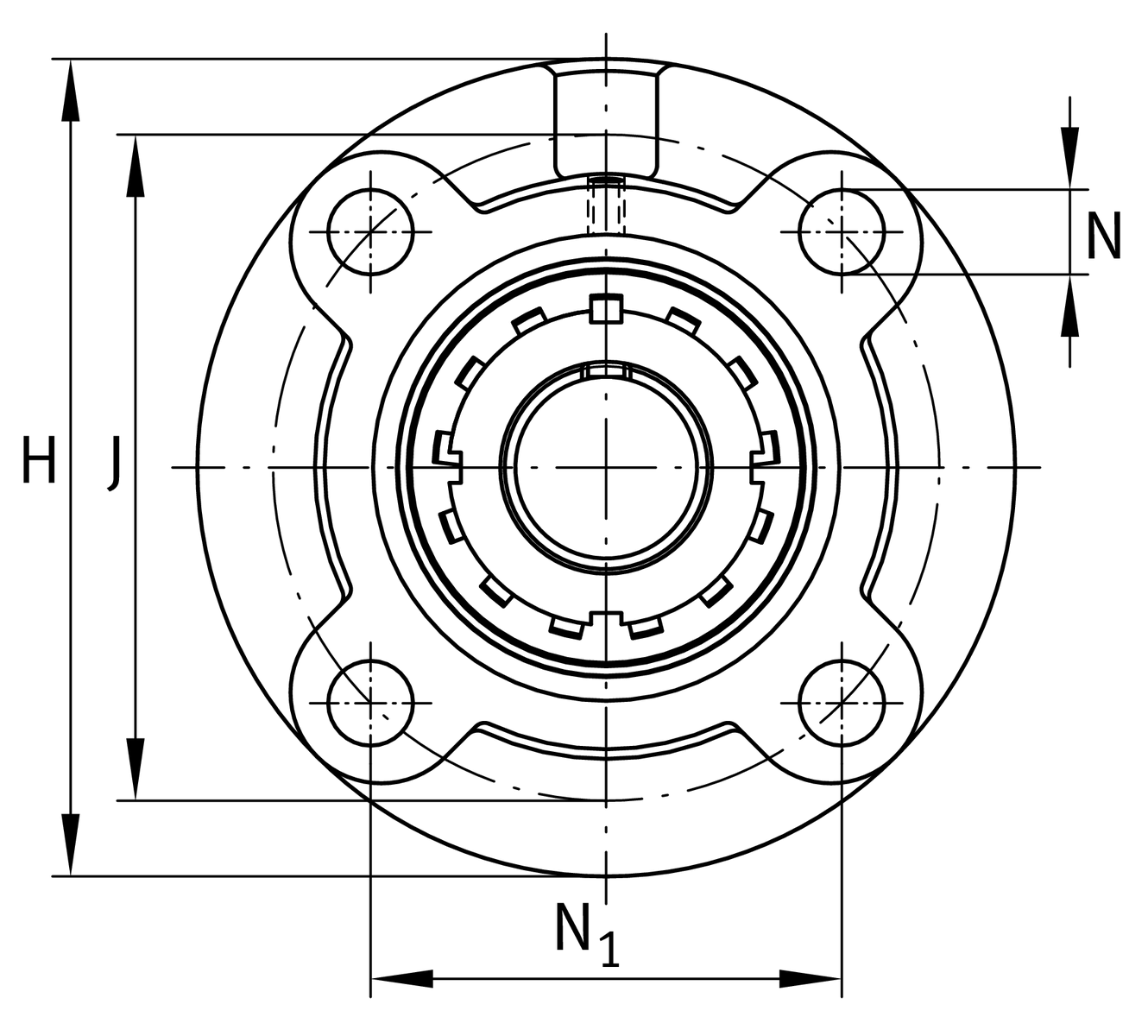
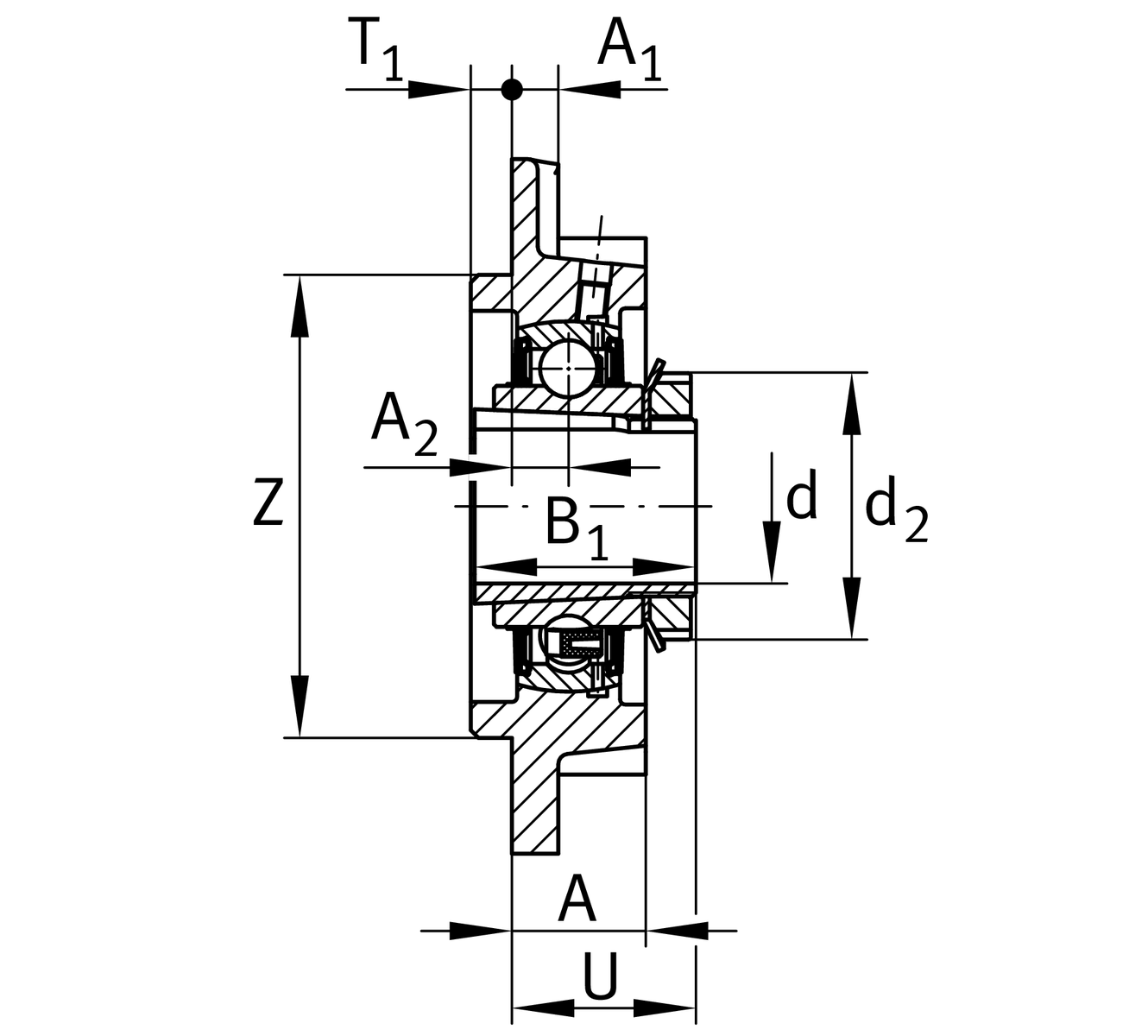
Main Dimensions & Performance Data
d
70 mm
Bore diameter
H
240 mm
Height flange
U
58.2 mm
Total height unit
Cr
76,000 N
Basic dynamic load rating, radial
C0r
54,000 N
Basic static load rating, radial
Cur
2,700 N
Fatigue load limit, radial
≈m
9.33 kg
Weight

Mounting dimensions
J
200 mm
Pitch circle diameter (holes)
N
23 mm
Fixing bore
N1
141.4 mm
Distance fixing bore
T1
16 mm
Height spigot
Z
170 mm
Diameter spigot
h8
Diameter spigot clearance
n
4
Number of screwing holes

Dimensions
A
42 mm
Height housing
A1
18 mm
Thickness of flange
A2
18 mm
Distance raceway
B
46 mm
Width
B1
78 mm
Locking collar total width
d3
105 mm
Outside diameter eccentric locking collar

Additional information
1
Number of housings
FC216
Housing
UK216
Bearing designation

Temperature range
Tmin
-20 °C
Operating temperature min.
Tmax
120 °C
Operating temperature max.

Your current product variant
MaterialGGGrey cast iron
Thêm vào yêu cầu báo giá