PRODUCTS

  • Home
  • Giới thiệu sản phẩm

INA
81218-M
Axial cylindrical roller bearing 81218-M
Thêm vào yêu cầu báo giá
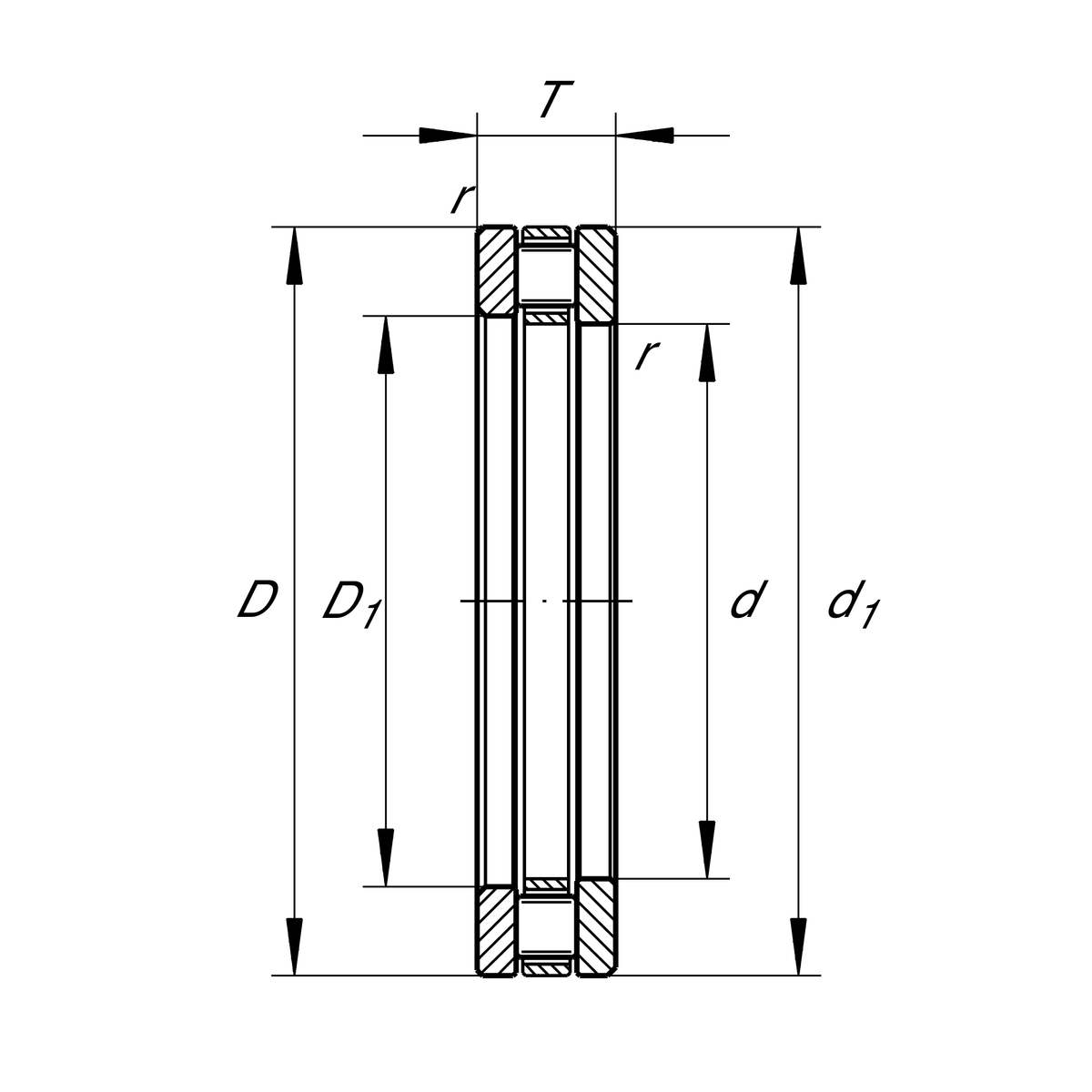
Main Dimensions & Performance Data
d
90 mm
Bore diameter
T
35 mm
Height
Ca
240,000 N
Basic dynamic load rating, axial
C0a
690,000 N
Basic static load rating, axial
Cua
74,000 N
Fatigue load limit, axial
nG
2,550 1/min
Limiting speed
nϑr
1,120 1/min
Reference speed
D
135 mm
Outside diameter
≈m
1.72 kg
Weight

Mounting dimensions
da min
129 mm
Minimum diameter shaft shoulder
Da max
95 mm
Maximum diameter of housing shoulder
ra max
1.1 mm
Maximum recess radius

Dimensions
D1
93 mm
Bore diameter housing washer
d1
135 mm
Rip diameter shaft washer
rmin
1.1 mm
Minimum chamfer dimension

Temperature range
Tmin
-30 °C
Operating temperature min.
Tmax
120 °C
Operating temperature max.

Additional information
K81218-M
Axial roller and cage assembly
GS81218
Housing Washer
WS81218
Shaft washer

Your current product variant
CageMBrass Cage
Thêm vào yêu cầu báo giá