PRODUCTS

  • Home
  • Giới thiệu sản phẩm

FAG
16002-A
Deep groove ball bearing 16002-A
Thêm vào yêu cầu báo giá
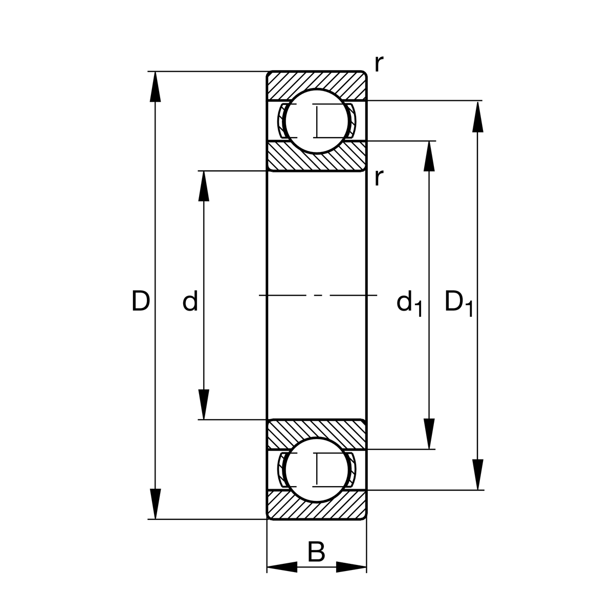
Main Dimensions & Performance Data
d
15 mm
Bore diameter
D
32 mm
Outside diameter
B
8 mm
Width
Cr
5,590 N
Basic dynamic load rating, radial
C0r
2,840 N
Basic static load rating, radial
Cur
191 N
Fatigue load limit, radial
nG
33,500 1/min
Limiting speed
nϑr
20,000 1/min
Reference speed
≈m
0.024 kg
Weight

Mounting dimensions
da min
17 mm
Minimum diameter shaft shoulder
Da max
30 mm
Maximum diameter of housing shoulder
ra max
0.3 mm
Maximum fillet radius

Dimensions
rmin
0.3 mm
Minimum chamfer dimension
D1
26.8 mm
Shoulder diameter outer ring
D2
28.8 mm
Caliber diameter outer ring
d1
20.5 mm
Shoulder diameter inner ring

Temperature range
Tmin
-30 °C
Operating temperature min.
Tmax
120 °C
Operating temperature max.

Calculation factors
f0
14
Calculation factor

Your current product variant
Changed internal designADesign variant A
SealingWithoutNot sealed
CageJNsteel sheet metal
Tolerance classPNNormal (PN)
Dimensional / heat stabilization SNRings dimensional stabilized up to 120°
LubricantWithoutBearing not greased
Bore typeZCylindrical
Radial internal clearanceCN (Group N)Normal internal clearance
Thêm vào yêu cầu báo giá