PRODUCTS
- Home
- Giới thiệu sản phẩm
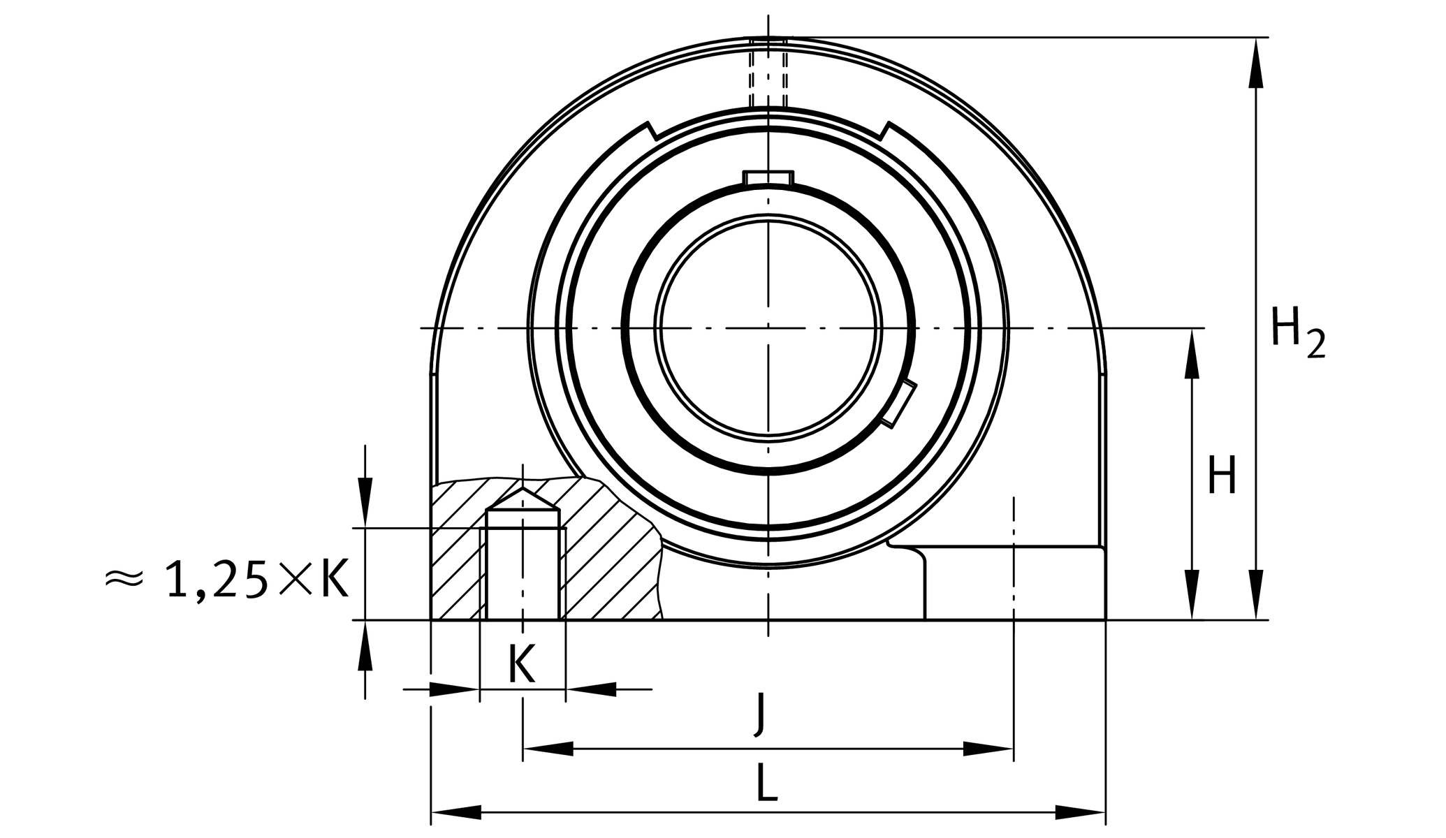
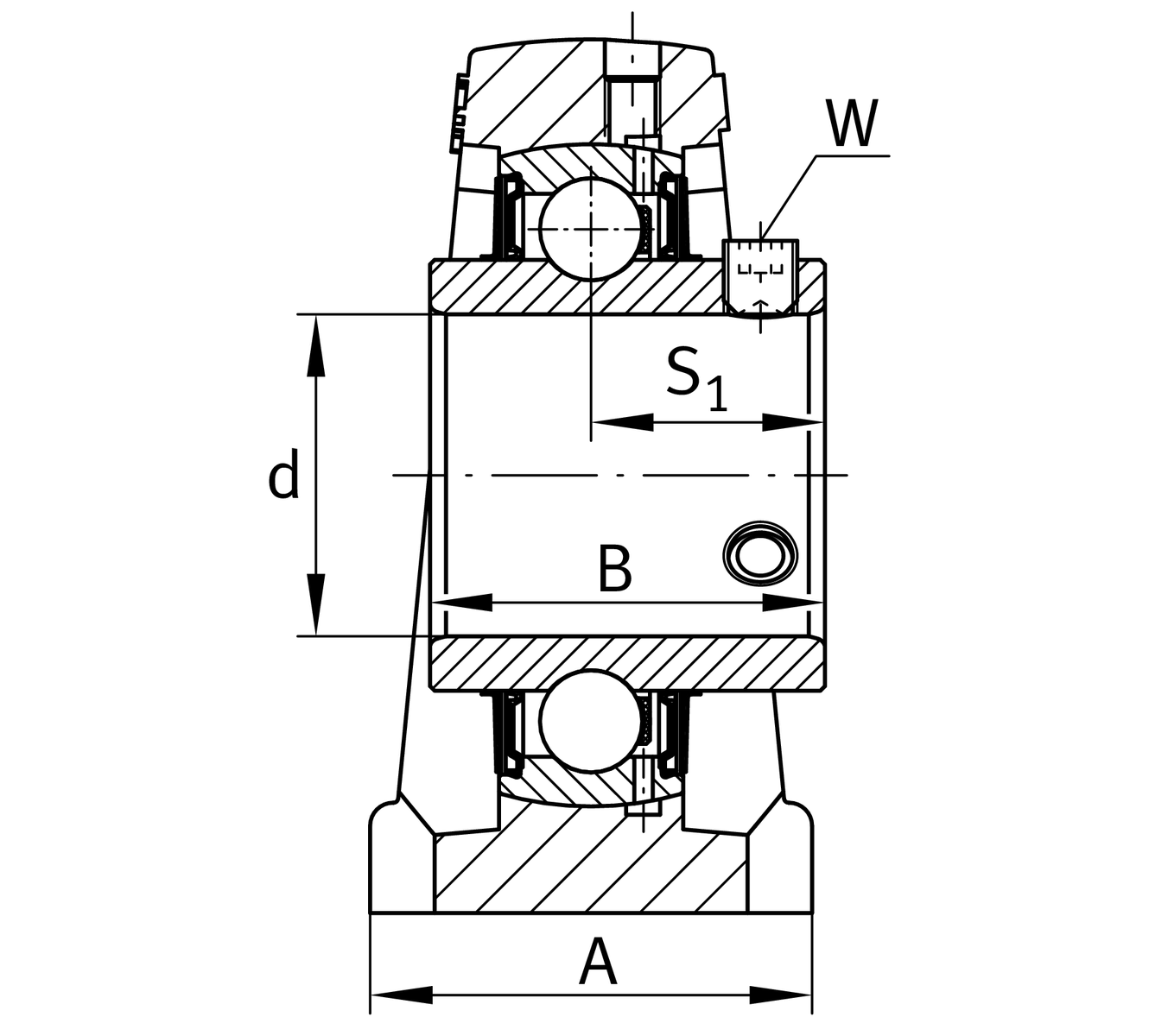
| d | 12.7 mm | Bore diameter |
| L | 76 mm | Length total |
| H2 | 62 mm | Height |
| ≈m | 0.65 kg | Weight |
| J | 52 mm | Distance fixing bore |
| K | M10 | Thread fixing bore |
| H | 30.2 mm | Distance shaft axis |
| A | 38 mm | Width (base) |
| Q | M6 | Connection thread for lubrication |
| B | 31 mm | Width of inner ring |
| S1 | 18.3 mm | Distance of raceway to locking collar |
PA204 | Housing | |
UC201-08 | Bearing designation |
| Tmin | -20 °C | Operating temperature min. |
| Tmax | 120 °C | Operating temperature max. |
| Material | GG | Grey cast iron |
| Housing clearance | J7 | Normal swivel torque |
| Dummy | GG | cast iron |