PRODUCTS

  • Home
  • Giới thiệu sản phẩm

FAG
S6306-2RSR-FD
Deep groove ball bearing S6306-2RSR-FD
Thêm vào yêu cầu báo giá
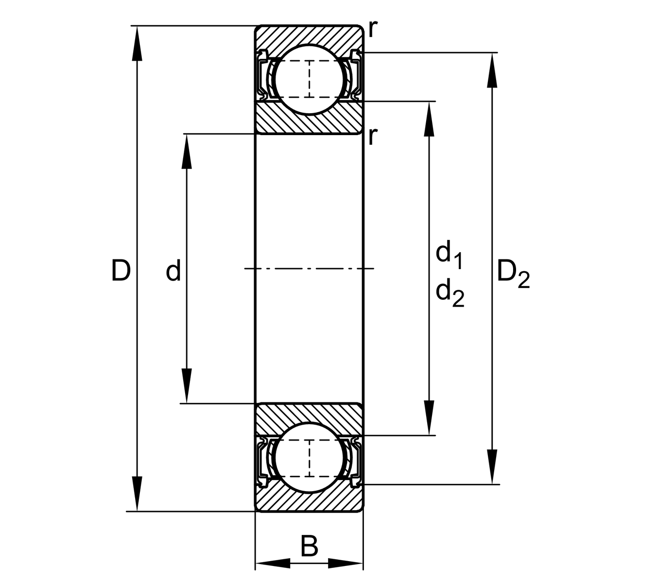
Main Dimensions & Performance Data
d
30 mm
Bore diameter
D
72 mm
Outside diameter
B
19 mm
Width
Cr
22,700 N
Basic dynamic load rating, radial
C0r
12,000 N
Basic static load rating, radial
Cur
1,290 N
Fatigue load limit, radial
nG
4,100 1/min
Limiting speed
≈m
0.32 kg
Weight

Mounting dimensions
da min
37 mm
Minimum diameter shaft shoulder
Da max
65 mm
Maximum diameter of housing shoulder
ra max
1 mm
Maximum fillet radius

Dimensions
rmin
1.1 mm
Minimum chamfer dimension
D1
59.3 mm
Shoulder diameter outer ring
D2
62.35 mm
Caliber diameter outer ring
d1
44.9 mm
Shoulder diameter inner ring

Temperature range
Tmin
-30 °C
Operating temperature min.
Tmax
100 °C
Operating temperature max.

Calculation factors
f0
10.6
Calculation factor

Your current product variant
Material BearingSStainless steel
Sealing2RSRContact seal on both sides
CageJNsteel sheet metal
Tolerance classPNNormal (PN)
Dimensional / heat stabilization SNRings dimensional stabilized up to 120°
LubricantFDGrease with food application approval to NSF H1
Bore typeZCylindrical
Radial internal clearanceCN (Group N)Normal internal clearance
Thêm vào yêu cầu báo giá