PRODUCTS

  • Home
  • Giới thiệu sản phẩm

FAG
2214-M-C3
Self-aligning ball bearing 2214-M-C3
Thêm vào yêu cầu báo giá
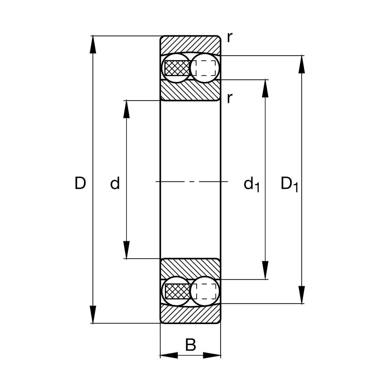
Main Dimensions & Performance Data
d
70 mm
Bore diameter
D
125 mm
Outside diameter
B
31 mm
Width
Cr
44,000 N
Basic dynamic load rating, radial
C0r
17,100 N
Basic static load rating, radial
Cur
1,080 N
Fatigue load limit, radial
nG
8,800 1/min
Limiting speed
nϑr
5,900 1/min
Reference speed
≈m
1.31 kg
Weight

Mounting dimensions
da min
79 mm
Minimum diameter shaft shoulder
Da max
116 mm
Maximum diameter of housing shoulder
ra max
1.5 mm
Maximum fillet radius

Dimensions
rmin
1.5 mm
Minimum chamfer dimension
D1
108.85 mm
Shoulder diameter outer ring
d1
87.58 mm
Shoulder diameter inner ring

Temperature range
Tmin
-30 °C
Operating temperature min.
Tmax
150 °C
Operating temperature max.

Calculation factors
e
0.27
Limiting value of Fa/Fr for the applicability of diff. Values of factors X and Y
Y1
2.33
Dynamic axial load factor
Y2
3.61
Dynamic axial load factor
Y0
2.45
Static axial load factor

Your current product variant
Bore typeZCylindrical
SealingWithoutNot sealed
CageMsolid brass cage, ball guided
Tolerance classPNNormal (PN)
LubricantWithoutBearing not greased
Radial internal clearanceC3 (Group 3)Internal clearance larger than CN
Thêm vào yêu cầu báo giá