PRODUCTS
- Home
- Giới thiệu sản phẩm
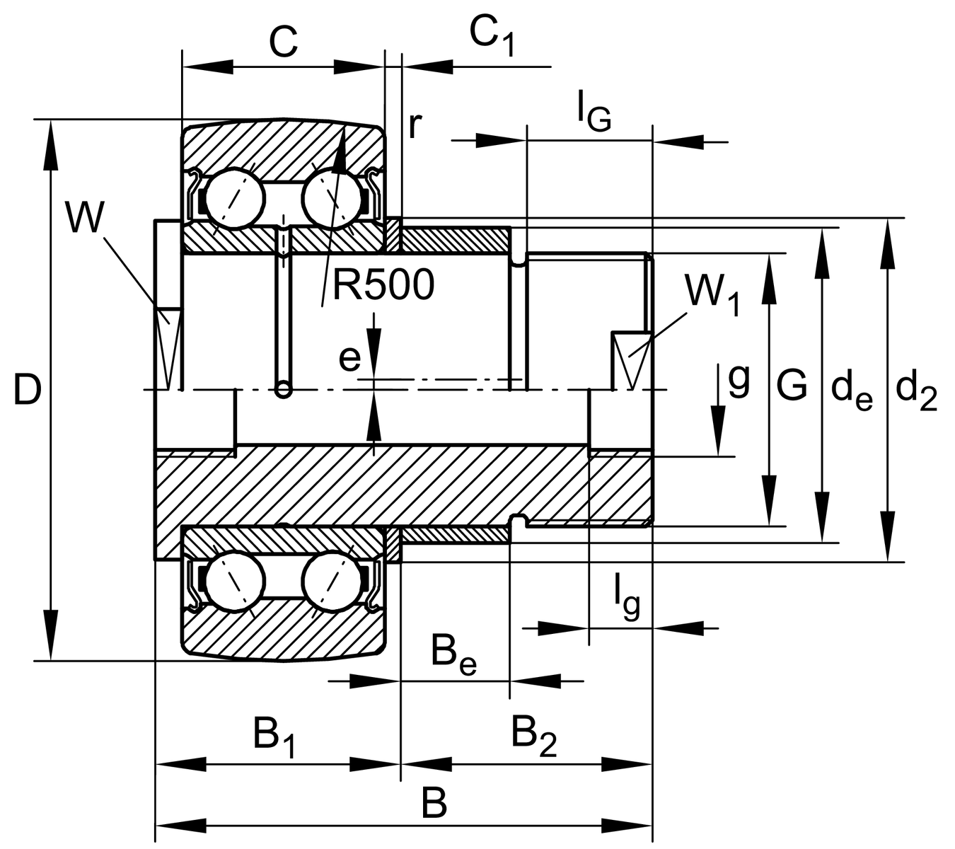
| D | 40 mm | Outside diameter |
| de | 22 mm | Diameter of eccentric |
| B | 66.5 mm | Width |
| Cr w | 9,800 N | Basic dynamic load rating, radial |
| C0r w | 7,000 N | Basic static load rating, radial |
| Cur w | 355 N | Fatigue load limit, radial |
| nD G | 10,200 1/min | Speed on permanent grease lubrication |
| Fr per | 7,000 N | Permissible dynamic load outer ring, radial |
| ≈m | 230 g | Weight |
| B1 max | 21.5 mm | Maximum witdh of thrust washer |
| B2 | 45 mm | Bolt/stud length effectively |
| C | 15.9 mm | Width, outer ring |
| C1 | 2.5 mm | Protrusion outer ring to thrust washer |
| d2 | 27 mm | Stop diameter of thrust washer |
| rmin | 0.6 mm | Minimum chamfer dimension |
| W | 17 mm | Width of flats |
| W1 | 10 mm | Width of flats |
| e | 1 mm | Eccentricity |
| Be | 16 mm | Width, eccentric |
| g | M8X1 | Thread inside |
| lg | 8 mm | Thread length (inner) |
| G | M14 | Thread |
| IG min | 25 mm | Minimum thread length |
| R | 500 mm | Radius of outer ring outside profile |
| MA | 40 Nm | Tightening torque nut |
| Sealing | 2Z | Sealing shield on both sides |
| Outer Ring profile | R500 | R500 |
| Relubrication feature | KS | Via threaded connections on the head and stud |
| Assembling aid head | SF | Spanner flat |
| Mounting aid stud | SF | Spanner flat |