PRODUCTS

  • Home
  • Giới thiệu sản phẩm

FAG
UCFC214-42
Flanged housing unit UCFC214-42
Thêm vào yêu cầu báo giá
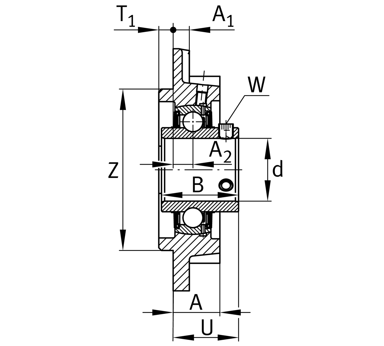
Main Dimensions & Performance Data
d
66.675 mm
Bore diameter
H
215 mm
Height flange
U
61.4 mm
Total height unit
Cr
66,000 N
Basic dynamic load rating, radial
C0r
44,000 N
Basic static load rating, radial
Cur
2,300 N
Fatigue load limit, radial
≈m
6.84 kg
Weight

Mounting dimensions
J
177 mm
Distance fixing bore
J
177 mm
Pitch circle diameter (holes)
N
19 mm
Fixing bore
N1
125.15 mm
Distance fixing bore
T1
14 mm
Height spigot
Z
150 mm
Diameter spigot
h8
Diameter spigot clearance
n
4
Number of screwing holes

Dimensions
A
40 mm
Height housing
A1
18 mm
Thickness of flange
A2
17 mm
Distance raceway
B
74.6 mm
Width
Q
M6
Connection thread for lubrication

Additional information
1
Number of housings
FC214
Housing
UC214-42
Bearing designation

Temperature range
Tmin
-20 °C
Operating temperature min.
Tmax
120 °C
Operating temperature max.

Your current product variant
MaterialGGGrey cast iron
Thêm vào yêu cầu báo giá