PRODUCTS

  • Home
  • Giới thiệu sản phẩm

FAG
S6300-2RS-FD>W
Deep groove ball bearing S6300-2RS-FD>W
Thêm vào yêu cầu báo giá
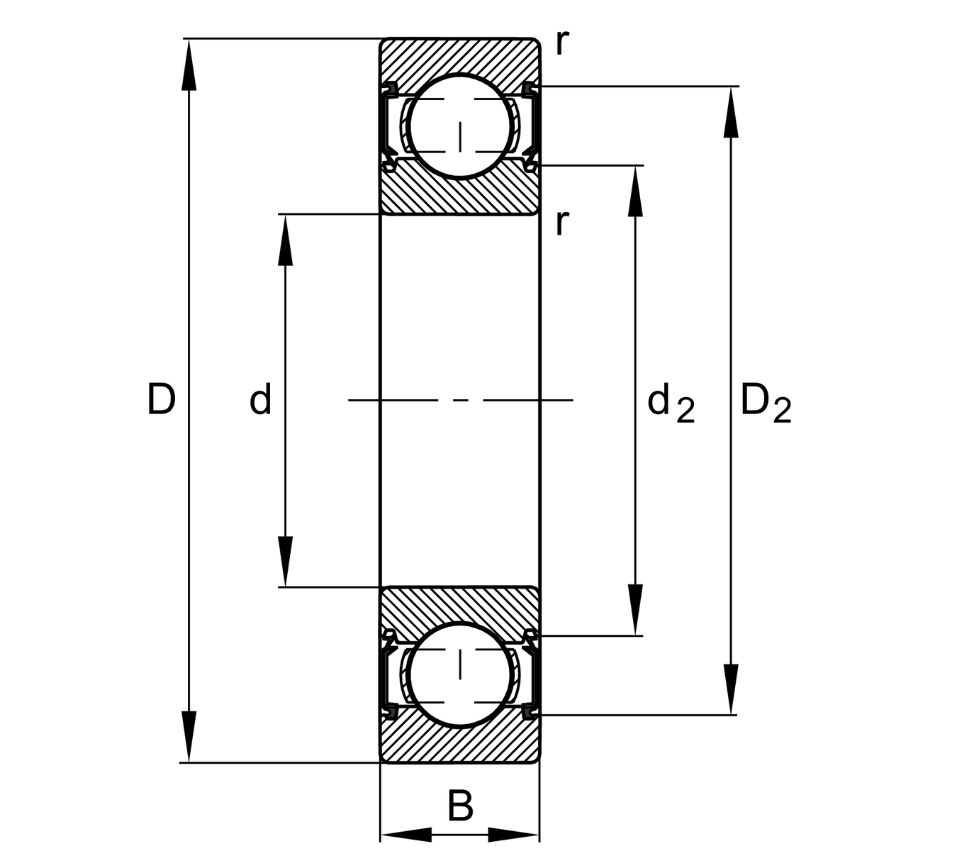
Main Dimensions & Performance Data
d
10 mm
Bore diameter
D
35 mm
Outside diameter
B
11 mm
Width
Cr
7,650 N
Basic dynamic load rating, radial
C0r
3,480 N
Basic static load rating, radial
Cur
158 N
Fatigue load limit, radial
nG
17,000 1/min
Limiting speed
≈m
0.05 kg
Weight

Mounting dimensions
da min
14.2 mm
Minimum diameter shaft shoulder
Da max
30.8 mm
Maximum diameter of housing shoulder
ra max
0.6 mm
Maximum fillet radius

Dimensions
rmin
0.6 mm
Minimum chamfer dimension
D1
27.6 mm
Shoulder diameter outer ring
D2
29.5 mm
Caliber diameter outer ring
d1
19.3 mm
Shoulder diameter inner ring
d2
17.5 mm
Caliber diameter inner ring

Temperature range
Tmin
-20 °C
Operating temperature min.
Tmax
100 °C
Operating temperature max.

Calculation factors
f0
12.3
Calculation factor

Your current product variant
Version code>WNot marked on bearing
Material BearingSStainless steel
Sealing2RSContact seal on both sides
CageJNsteel sheet metal
Tolerance classPNNormal (PN)
Dimensional / heat stabilization SNRings dimensional stabilized up to 120°
LubricantFDGrease with food application approval to NSF H1
Bore typeZCylindrical
Radial internal clearanceCN (Group N)Normal internal clearance
Thêm vào yêu cầu báo giá