PRODUCTS

  • Home
  • Giới thiệu sản phẩm

INA
BK1010
Drawn cup needle roller bearing closed end BK1010
Thêm vào yêu cầu báo giá
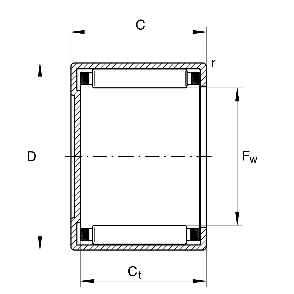
Main Dimensions & Performance Data
Fw
10 mm
Under roller diameter
D
14 mm
Outside diameter
C
10 mm
Width, outer ring
Cr
4,400 N
Basic dynamic load rating, radial
C0r
5,100 N
Basic static load rating, radial
Cur
670 N
Fatigue load limit, radial
nG Grease
14,600 1/min
Limiting speed for grease lubrication
nG
24,300 1/min
Limiting speed
nϑr
18,700 1/min
Reference speed
≈m
4.16 g
Weight

Dimensions
rmin
0.4 mm
Minimum chamfer dimension
Ct min
8.4 mm
Minimum width to base of drawn cup with closed end

Temperature range
Tmin
-30 °C
Operating temperature min.
Tmax
140 °C
Operating temperature max.

Additional information
GR10X14X3
Sealing ring
G10X14X3
Sealing ring 2
LR7X10X10,5
Suitable inner rings LR
IR7X10X10,5-XL
Suitable inner rings IR

Your current product variant
LubricantWithout
Lubrication holeWithout
CoatingWithout
SealingWithout
Thêm vào yêu cầu báo giá