PRODUCTS

  • Home
  • Giới thiệu sản phẩm

INA
81113-TV
Axial cylindrical roller bearing 81113-TV
Thêm vào yêu cầu báo giá
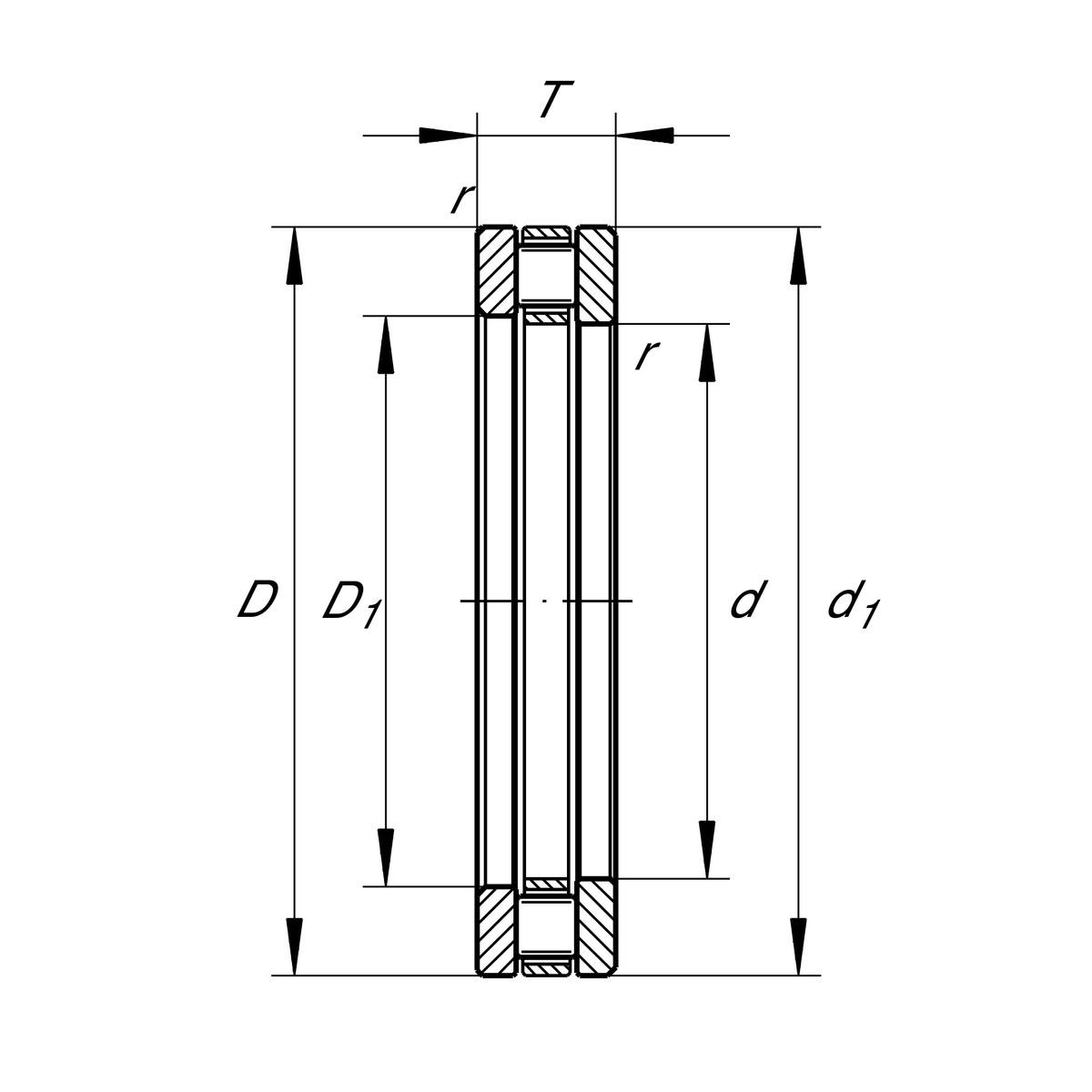
Main Dimensions & Performance Data
d
65 mm
Bore diameter
T
18 mm
Height
Ca
107,000 N
Basic dynamic load rating, axial
C0a
340,000 N
Basic static load rating, axial
Cua
34,500 N
Fatigue load limit, axial
nG
3,700 1/min
Limiting speed
nϑr
1,260 1/min
Reference speed
D
90 mm
Outside diameter
≈m
311.56 g
Weight

Mounting dimensions
da min
87 mm
Minimum diameter shaft shoulder
Da max
67 mm
Maximum diameter of housing shoulder
ra max
1 mm
Maximum recess radius

Dimensions
D1
67 mm
Bore diameter housing washer
d1
90 mm
Rip diameter shaft washer
rmin
1 mm
Minimum chamfer dimension

Temperature range
Tmin
-30 °C
Operating temperature min.
Tmax
120 °C
Operating temperature max.

Additional information
K81113-TV
Axial roller and cage assembly
GS81113
Housing Washer
WS81113
Shaft washer
LS6590
Track Washer

Your current product variant
CageTVPlastic Cage made from PA66
Thêm vào yêu cầu báo giá