PRODUCTS

  • Home
  • Giới thiệu sản phẩm

INA
BK0910
Drawn cup needle roller bearing closed end BK0910
Thêm vào yêu cầu báo giá
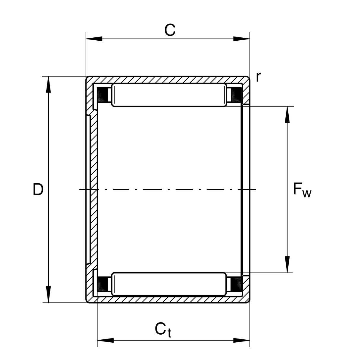
Main Dimensions & Performance Data
Fw
9 mm
Under roller diameter
D
13 mm
Outside diameter
C
10 mm
Width, outer ring
Cr
4,250 N
Basic dynamic load rating, radial
C0r
4,650 N
Basic static load rating, radial
Cur
610 N
Fatigue load limit, radial
nG Grease
16,000 1/min
Limiting speed for grease lubrication
nG
26,500 1/min
Limiting speed
nϑr
20,600 1/min
Reference speed
≈m
4.3 g
Weight

Dimensions
rmin
0.4 mm
Minimum chamfer dimension
Ct min
8.4 mm
Minimum width to base of drawn cup with closed end

Temperature range
Tmin
-30 °C
Operating temperature min.
Tmax
140 °C
Operating temperature max.

Additional information
GR9X13X3
Sealing ring
G9X13X3
Sealing ring 2
IR6X9X12-XL
Suitable inner rings IR

Your current product variant
LubricantWithout
Lubrication holeWithout
CoatingWithout
SealingWithout
Thêm vào yêu cầu báo giá