PRODUCTS

  • Home
  • Giới thiệu sản phẩm

INA
STO8-TV
Yoke type track roller STO8-TV
Thêm vào yêu cầu báo giá
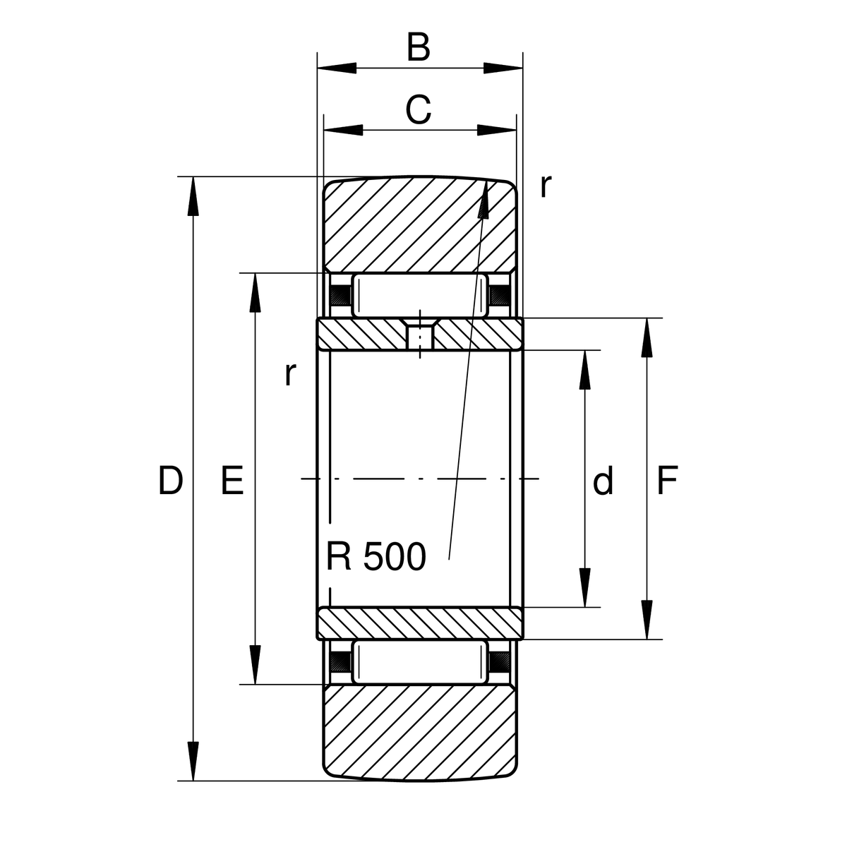
Main Dimensions & Performance Data
d
8 mm
Bore diameter
D
24 mm
Outside diameter
C
9.8 mm
Width, outer ring
Cr w
4,200 N
Basic dynamic load rating, radial
C0r w
5,600 N
Basic static load rating, radial
Cur w
800 N
Fatigue load limit, radial
nD G
8,000 1/min
Speed on permanent grease lubrication
≈m
27.24 g
Weight

Dimensions
B
10 mm
Width, inner ring
E
15 mm
Raceway diameter outer ring
rmin
0.3 mm
Minimum chamfer dimension
F
12 mm
Raceway diameter inner ring
R
500 mm
Radius of outer ring outside profile

Your current product variant
SealingWithout
Outer Ring profileR500R500
Relubrication featureIRVia inner ring lubrication hole
CageTVPlastic Cage made from PA66
Thêm vào yêu cầu báo giá