PRODUCTS

  • Home
  • Giới thiệu sản phẩm

FAG
20213-TVP
Barrel roller bearing 20213-TVP
Thêm vào yêu cầu báo giá
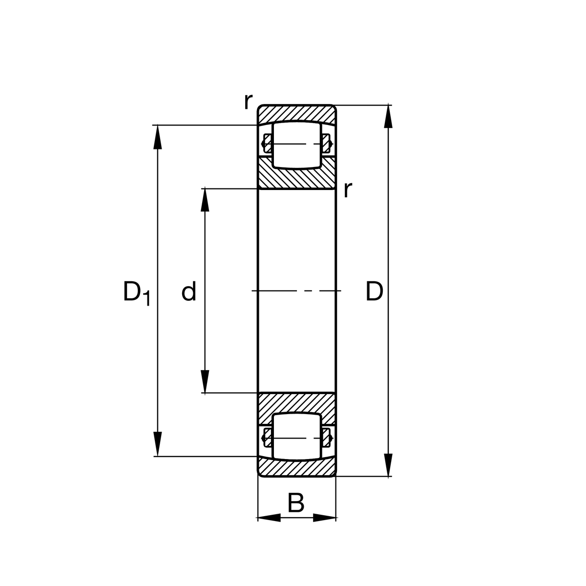
Main Dimensions & Performance Data
d
65 mm
Bore diameter
D
120 mm
Outside diameter
B
23 mm
Width
Cr
94,000 N
Basic dynamic load rating, radial
C0r
117,000 N
Basic static load rating, radial
Cur
12,700 N
Fatigue load limit, radial
nG
6,000 1/min
Limiting speed
≈m
1.083 kg
Weight

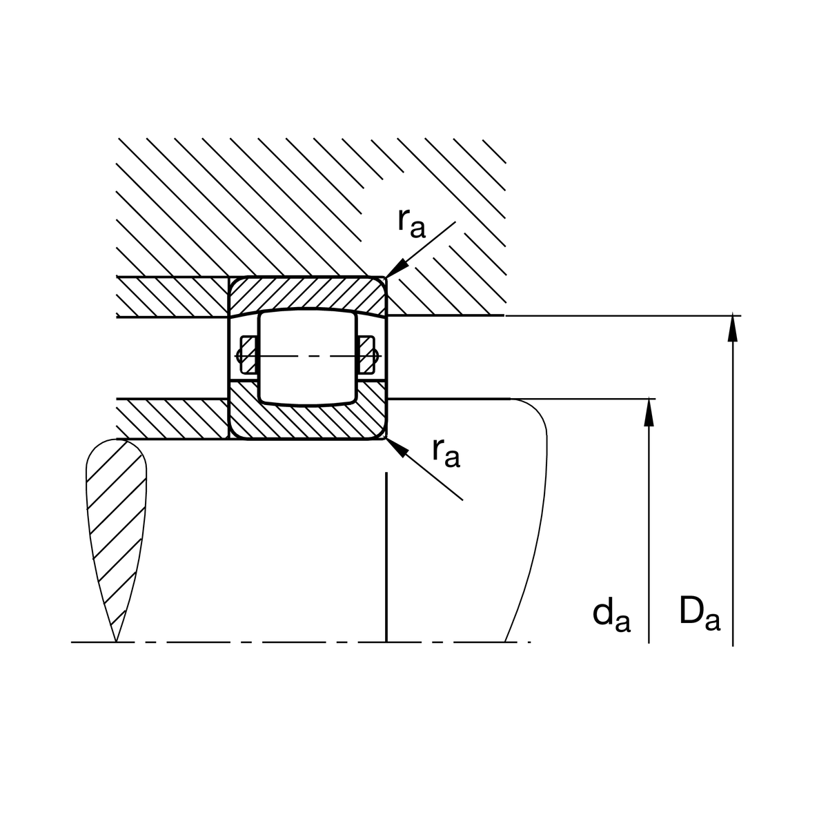
Mounting dimensions
da min
74 mm
Minimum diameter shaft shoulder
Da max
111 mm
Maximum diameter of housing shoulder
ra max
1.5 mm
Maximum recess radius

Dimensions
rmin
1.5 mm
Minimum chamfer dimension
D1
105.1 mm
Bore diameter outer ring

Temperature range
Tmin
-30 °C
Operating temperature min.
Tmax
120 °C
Operating temperature max.

Your current product variant
Bore typeZCylindrical
CageTVPPlastic cage
Radial internal clearanceCN (Group N)Normal internal clearance
Thêm vào yêu cầu báo giá