PRODUCTS

  • Home
  • Giới thiệu sản phẩm

INA
BK0808
Drawn cup needle roller bearing closed end BK0808
Thêm vào yêu cầu báo giá
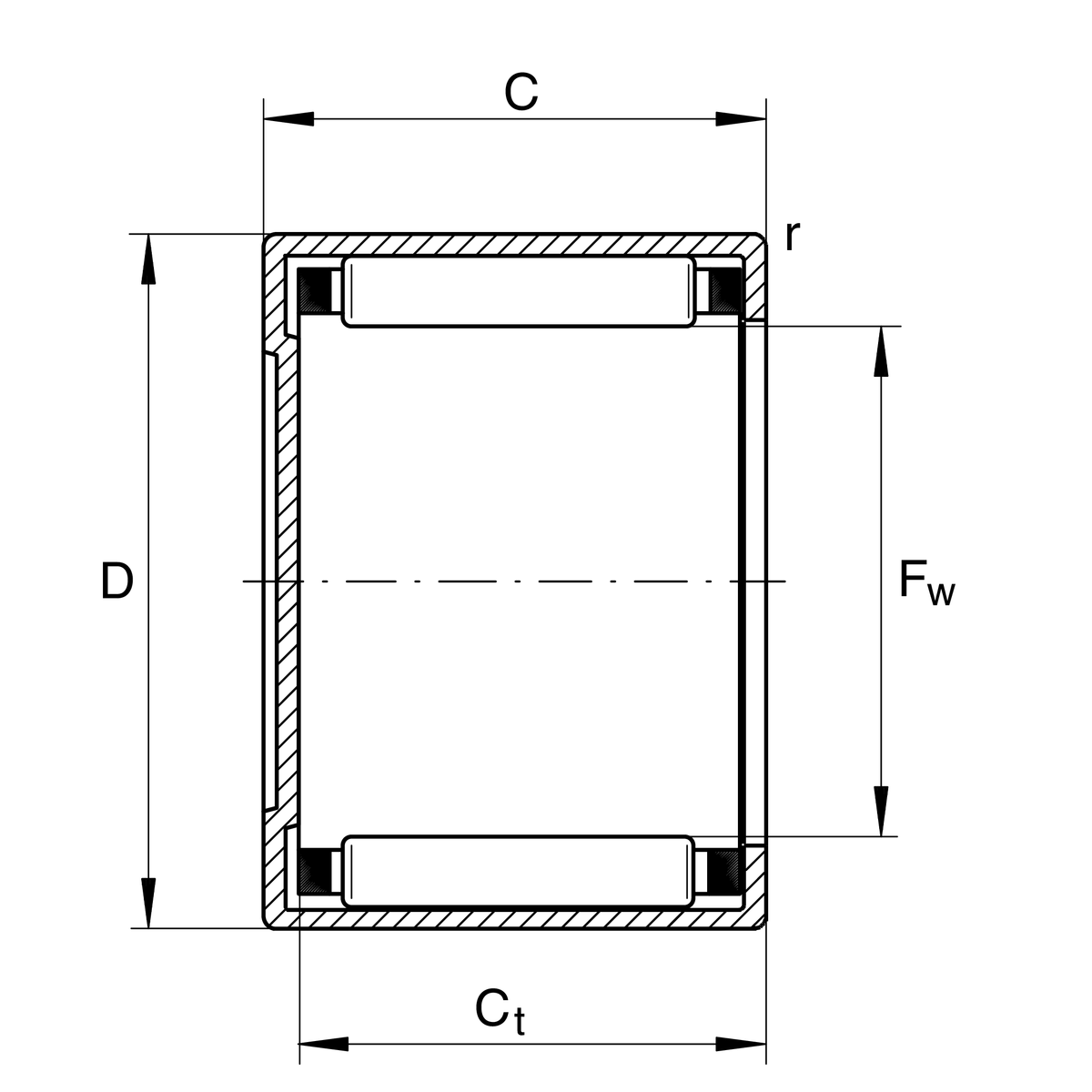
Main Dimensions & Performance Data
Fw
8 mm
Under roller diameter
D
12 mm
Outside diameter
C
8 mm
Width, outer ring
Cr
2,750 N
Basic dynamic load rating, radial
C0r
2,600 N
Basic static load rating, radial
Cur
300 N
Fatigue load limit, radial
nG Grease
17,700 1/min
Limiting speed for grease lubrication
nG
29,500 1/min
Limiting speed
nϑr
23,800 1/min
Reference speed
≈m
2.81 g
Weight

Dimensions
rmin
0.4 mm
Minimum chamfer dimension
Ct min
6.4 mm
Minimum width to base of drawn cup with closed end

Temperature range
Tmin
-30 °C
Operating temperature min.
Tmax
140 °C
Operating temperature max.

Additional information
G8X12X3
Sealing ring 2

Your current product variant
LubricantWithout
Lubrication holeWithout
CoatingWithout
SealingWithout
Thêm vào yêu cầu báo giá