PRODUCTS

  • Home
  • Giới thiệu sản phẩm

FAG
UCF213-40
Flanged housing unit UCF213-40
Thêm vào yêu cầu báo giá
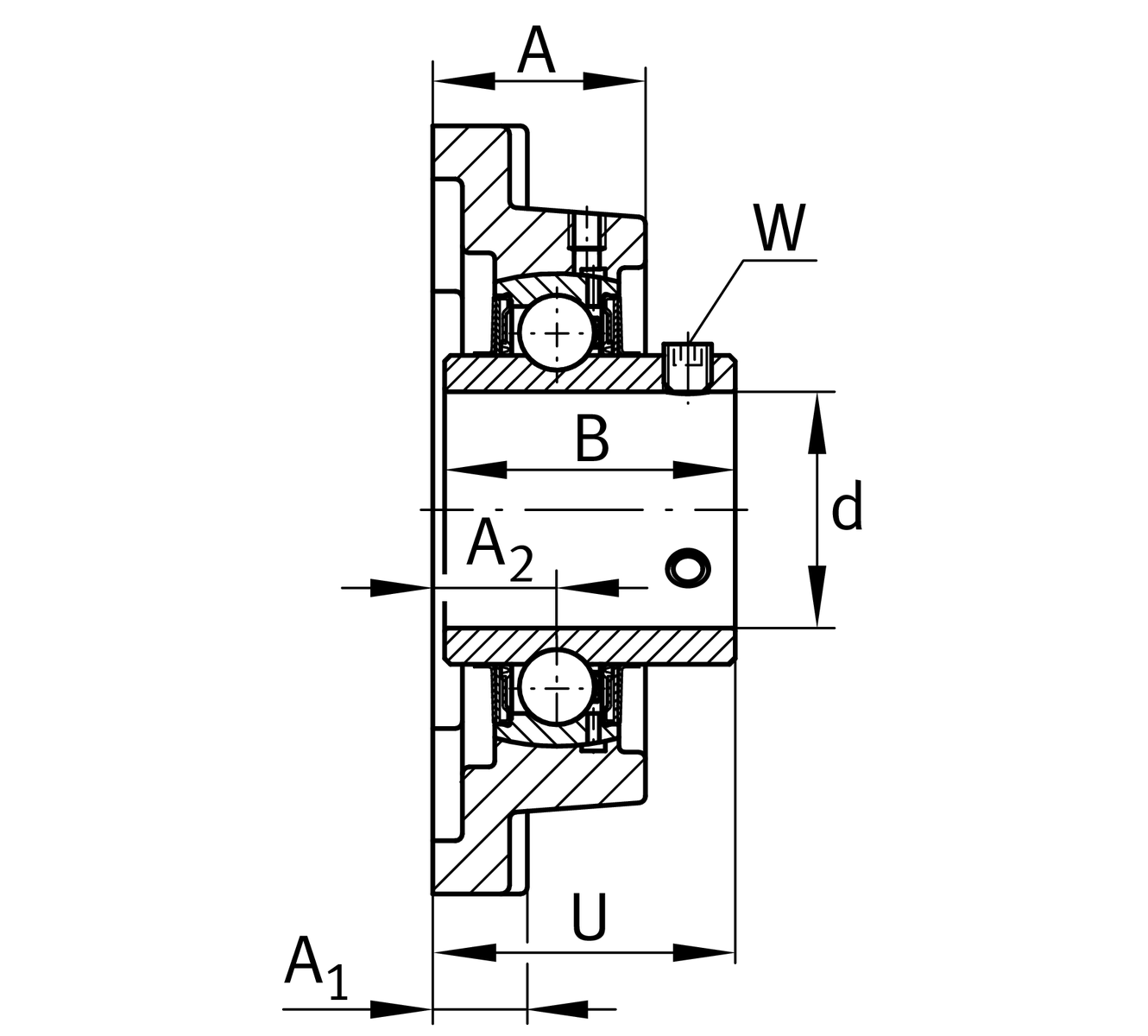
Main Dimensions & Performance Data
d
63.5 mm
Bore diameter
L
187 mm
Flange width
U
69.7 mm
Total height unit
Cr
61,000 N
Basic dynamic load rating, radial
C0r
40,000 N
Basic static load rating, radial
Cur
2,090 N
Fatigue load limit, radial
≈m
4.98 kg
Weight

Mounting dimensions
J
149 mm
Distance fixing bore
N
19 mm
Fixing bore
N1
149 mm
Distance fixing bore
n
4
Number of screwing holes

Dimensions
A
50 mm
Height housing
A1
20 mm
Thickness of flange
A2
30 mm
Distance raceway
B
69.7 mm
Width
Q
M6
Connection thread for lubrication

Additional information
1
Number of housings
F213
Housing
UC213-40
Bearing designation

Temperature range
Tmin
-20 °C
Operating temperature min.
Tmax
120 °C
Operating temperature max.

Your current product variant
MaterialGGGrey cast iron
Thêm vào yêu cầu báo giá