PRODUCTS

  • Home
  • Giới thiệu sản phẩm

FAG
UCT212-39
Take-up housing unit UCT212-39
Thêm vào yêu cầu báo giá
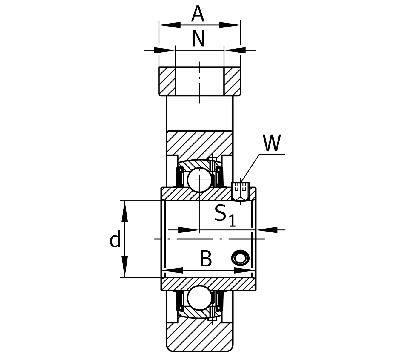
Main Dimensions & Performance Data
d
61.91 mm
Bore diameter
H
146 mm
Height
L
194 mm
Length total
≈m
4.61 kg
Weight

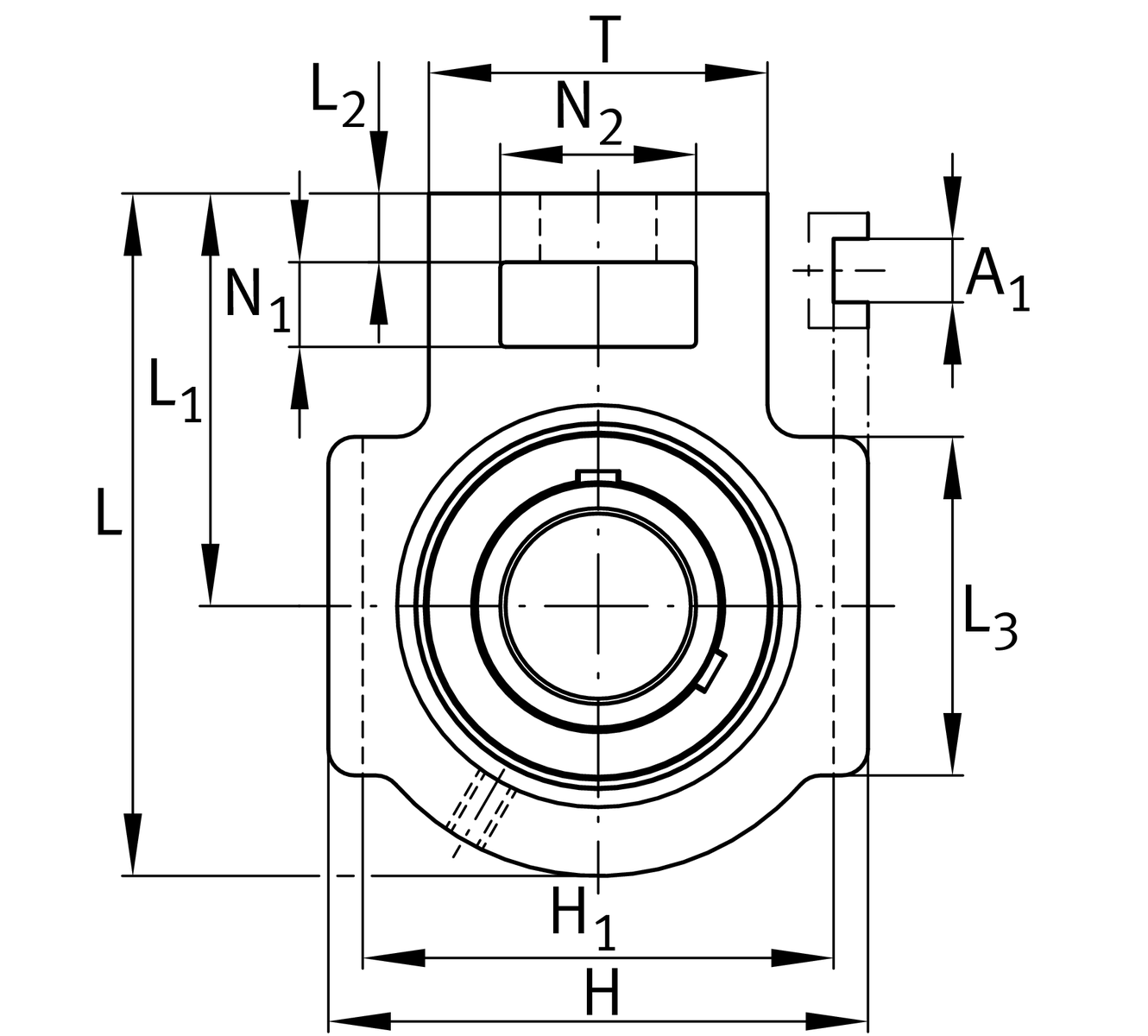
Mounting dimensions
A1
22 mm
Width guidance groove
0.3 mm
Upper width guidance groove tolerance
0 mm
Lower width guidance groove tolerance
H1
130 mm
Distance guidance grooves
0 mm
Upper distance guidance groove tolerance
-0.8 mm
Lower distance guidance groove tolerance
N
35 mm
Fixing bore

Dimensions
L1
119 mm
Distance shaft axis
L2
19 mm
Length fixed link
L3
102 mm
Length guidance groove
A
64 mm
Width housing fixing side
N1
32 mm
Width recess
N2
64 mm
Height recess
B
65.1 mm
Width inner ring
S1
39.7 mm
Distance of raceway to locking collar
T
102 mm
Height housing fixing side
Q
M6
Connection thread for lubrication
A2
42 mm
Width housing

Additional information
T212
Housing
UC212-39
Bearing designation

Temperature range
Tmin
-20 °C
Operating temperature min.
Tmax
120 °C
Operating temperature max.

Your current product variant
MaterialGGGrey cast iron
Thêm vào yêu cầu báo giá