PRODUCTS

  • Home
  • Giới thiệu sản phẩm

FAG
UCFC212-38
Flanged housing unit UCFC212-38
Thêm vào yêu cầu báo giá
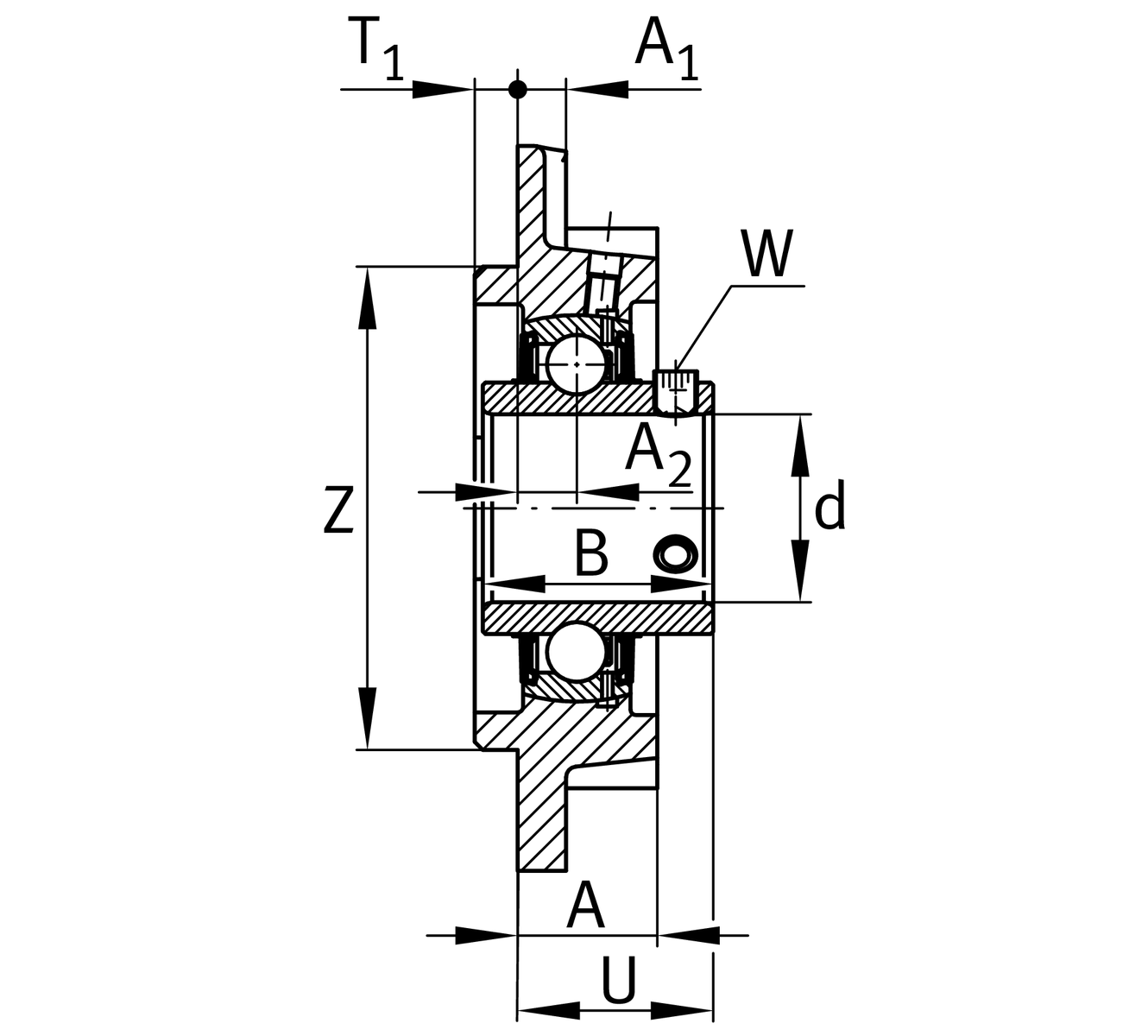
Main Dimensions & Performance Data
d
60.325 mm
Bore diameter
H
195 mm
Height flange
U
56.7 mm
Total height unit
Cr
52,000 N
Basic dynamic load rating, radial
C0r
36,000 N
Basic static load rating, radial
Cur
1,530 N
Fatigue load limit, radial
≈m
4.85 kg
Weight

Mounting dimensions
J
160 mm
Distance fixing bore
J
160 mm
Pitch circle diameter (holes)
N
19 mm
Fixing bore
N1
113.1 mm
Distance fixing bore
T1
12 mm
Height spigot
Z
135 mm
Diameter spigot
h8
Diameter spigot clearance
n
4
Number of screwing holes

Dimensions
A
36 mm
Height housing
A1
15 mm
Thickness of flange
A2
17 mm
Distance raceway
B
65.1 mm
Width
Q
M6
Connection thread for lubrication

Additional information
1
Number of housings
FC212
Housing
UC212-38
Bearing designation

Temperature range
Tmin
-20 °C
Operating temperature min.
Tmax
120 °C
Operating temperature max.

Your current product variant
MaterialGGGrey cast iron
Thêm vào yêu cầu báo giá