PRODUCTS

  • Home
  • Giới thiệu sản phẩm

INA
ZKLF60145-2Z-XL
Axial angular contact ball bearing ZKLF60145-2Z-XL
Thêm vào yêu cầu báo giá
Main Dimensions & Performance Data
d
60 mm
Bore diameter
0 mm
Bore diameter upper tolerance
-0.008 mm
Bore diameter lower tolerance
D
145 mm
Outside diameter
0 mm
Outside diameter upper tolerance
-0.015 mm
Outside diameter lower tolerance
B
45 mm
Width
0 mm
Width upper tolerance
-0.25 mm
Width lower tolerance
Ca
93,000 N
Basic dynamic load rating, axial
C0a
214,000 N
Basic static load rating, axial
Cua
13,000 N
Fatigue load limit, axial
nG Grease
4,000 1/min
Limiting speed for grease lubrication
nϑ
3,000 1/min
Thermally safe operating speed
MR
1 Nm
Bearing frictional torque
≈m
4.294 kg
Weight

Mounting dimensions
Da max
100 mm
Maximum diameter of housing
da min
82 mm
Minimum diameter shaft
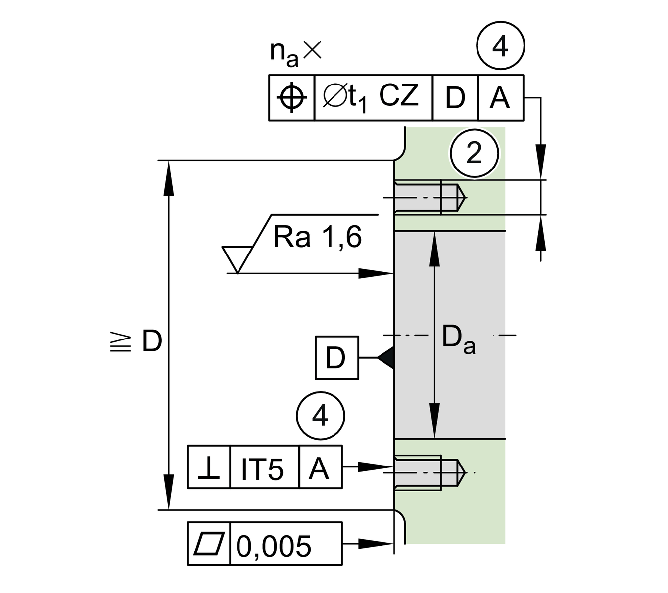
t1
0.2 mm
Position tolerance of bore in the housing
M8
Size of fixing screws
na
8
Number of holes in adjacent construction
ta
45 °
Pitch separation angle of holes in adjacent construction
M6
Connection thread for lubrication

Dimensions
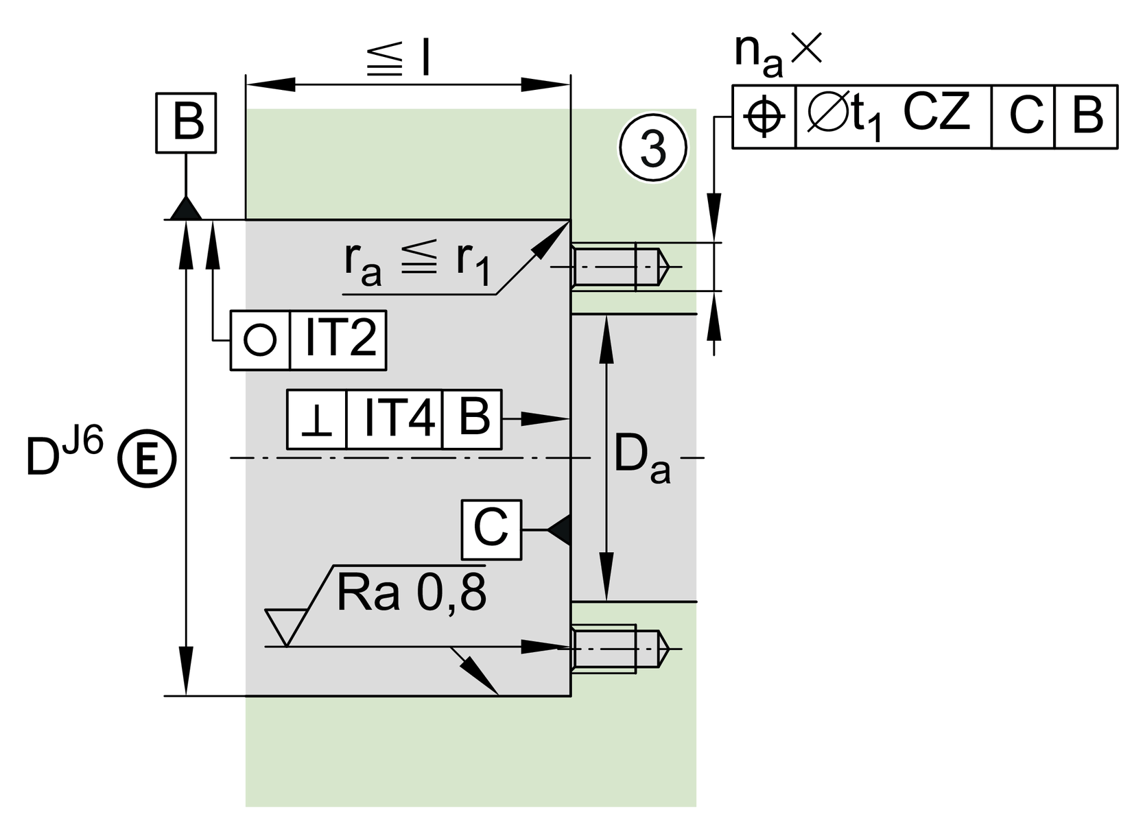
d1
85 mm
Rib diameter inner ring
rmin
0.6 mm
Minimum chamfer dimension
r1 min
0.6 mm
Minimum chamfer dimension
J
120 mm
Pitch circle diameter fixing holes
d2
8.8 mm
Fixing holes diameter
b
3 mm
Width of extraction slot
I
35 mm
Distance of extraction slot
n
8
Pitch quantity of fixing holes
t
45 °
Pitch separation angle of fixing holes
a
60 °
Contact angle

Temperature range
Tmin
-30 °C
Operating temperature min.
Tmax
120 °C
Operating temperature max.

Additional information
caL
1,300 N/µm
Rigidity axial
ckL
1,650 Nm/mrad
Tilting rigidity
Mm
13.7 kg*cm2
Mass moment of inertia
3 µm
Axial runout
ZMA60/98
Recommended INA precision locknut for radial locking
AM60
Recommended INA precision locknut for axial locking
MA
100 Nm
Tightening torque for the recommended INA precision locknut
16,700 N
Required locknut force axial

Your current product variant
Sealing2ZMinimal gap seals on both sides
Tolerance classStandard
Thêm vào yêu cầu báo giá