PRODUCTS

  • Home
  • Giới thiệu sản phẩm

FAG
20316-MB-C3
Barrel roller bearing 20316-MB-C3
Thêm vào yêu cầu báo giá
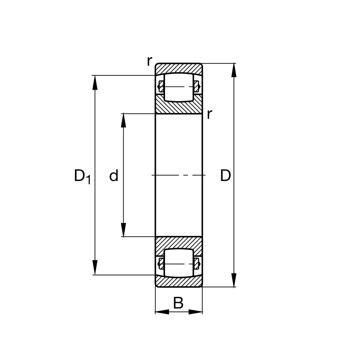
Main Dimensions & Performance Data
d
80 mm
Bore diameter
D
170 mm
Outside diameter
B
39 mm
Width
Cr
243,000 N
Basic dynamic load rating, radial
C0r
285,000 N
Basic static load rating, radial
Cur
26,000 N
Fatigue load limit, radial
nG
3,950 1/min
Limiting speed
≈m
4.571 kg
Weight

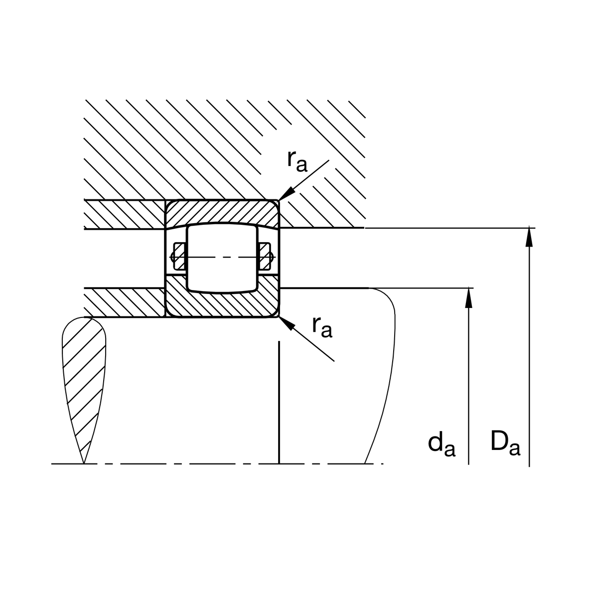
Mounting dimensions
da min
92 mm
Minimum diameter shaft shoulder
Da max
158 mm
Maximum diameter of housing shoulder
ra max
2.1 mm
Maximum recess radius

Dimensions
rmin
2.1 mm
Minimum chamfer dimension
D1
147.5 mm
Bore diameter outer ring

Temperature range
Tmin
-30 °C
Operating temperature min.
Tmax
200 °C
Operating temperature max.

Your current product variant
Bore typeZCylindrical
CageMBSolid brass cage
Radial internal clearanceC3 (Group 3)Internal clearance larger than CN
Thêm vào yêu cầu báo giá