PRODUCTS
- Home
- Giới thiệu sản phẩm
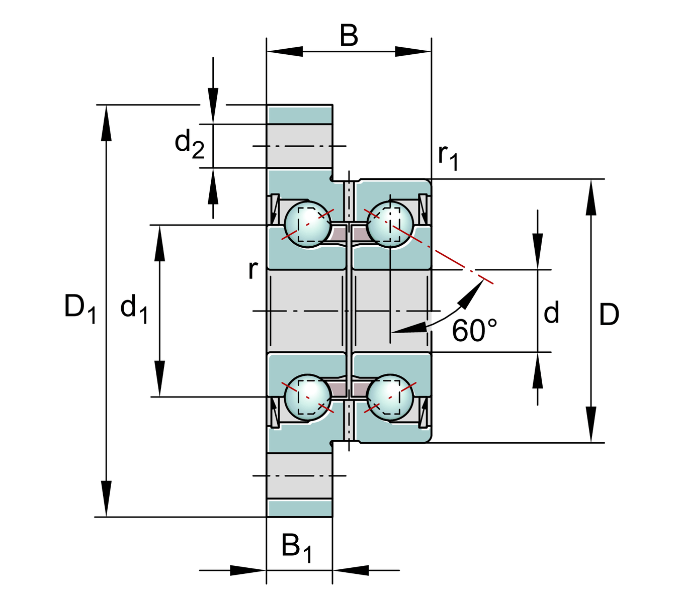
| d | 15 mm | Bore diameter |
0 mm | Bore diameter upper tolerance | |
-0.005 mm | Bore diameter lower tolerance | |
| D | 42 mm | Outside diameter |
0 mm | Outside diameter upper tolerance | |
-0.01 mm | Outside diameter lower tolerance | |
| B | 25 mm | Width |
0 mm | Width upper tolerance | |
-0.25 mm | Width lower tolerance | |
| Ca | 18,000 N | Basic dynamic load rating, axial |
| C0a | 28,500 N | Basic static load rating, axial |
| Cua | 1,300 N | Fatigue load limit, axial |
| nG Grease | 10,800 1/min | Limiting speed for grease lubrication |
| nϑ | 7,000 1/min | Thermally permissible speed |
| ≈m | 0.26 kg | Weight |
| da min | 20 mm | Minimum diameter shaft shoulder |
| da max | 34 mm | Maximum diameter of shaft shoulder |
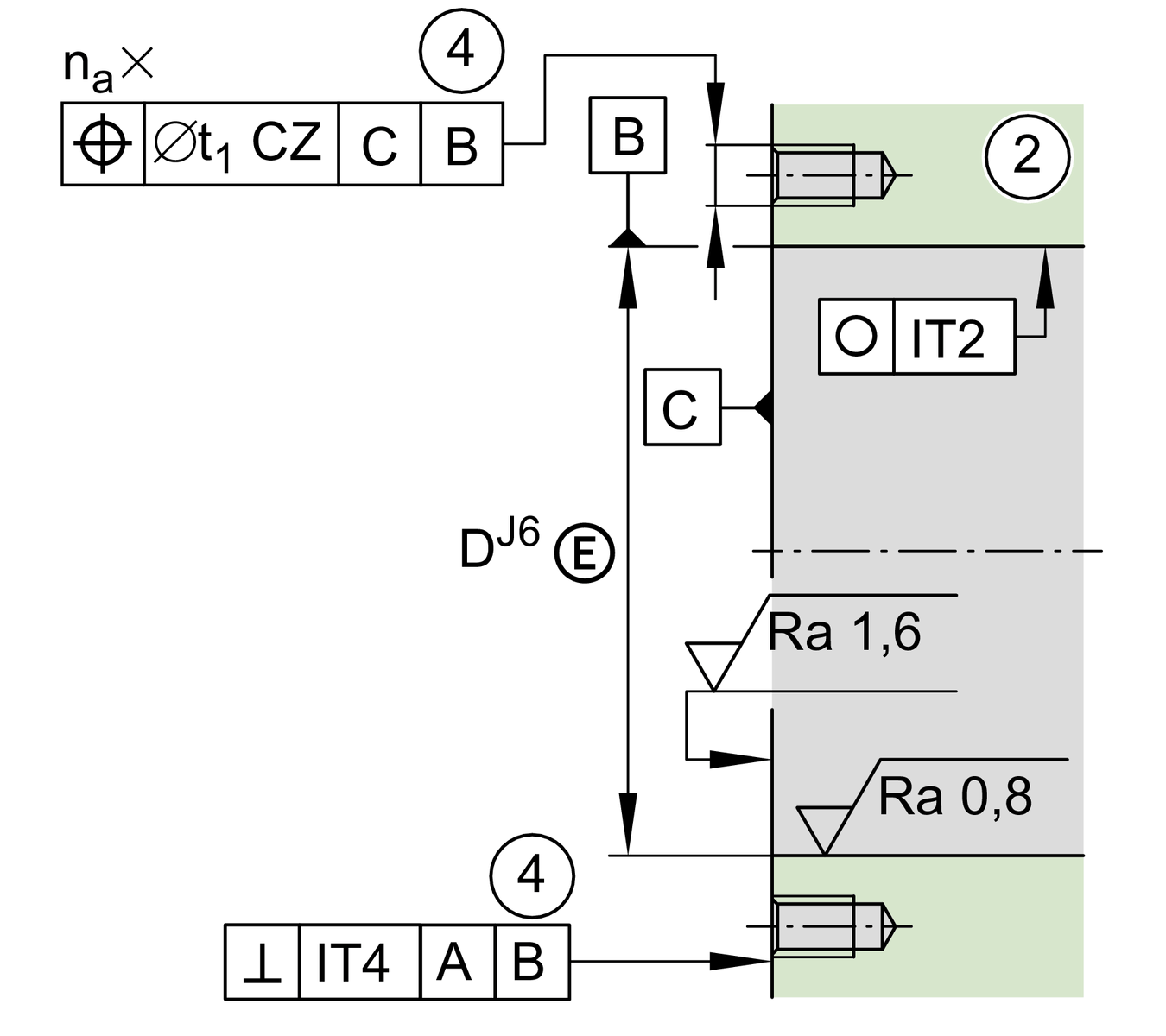
| t1 | 0.1 mm | position tolerance |
M6 | Screw size | |
| na | 4 | Number of screws |
| d1 | 28 mm | Rib diameter inner ring |
| rmin | 0.3 mm | Minimum chamfer dimension |
| r1 min | 0.6 mm | Minimum chamfer dimension |
| B1 | 10 mm | Thickness of flange |
| d2 | 6.8 mm | Fixing boring diameter |
| J | 53 mm | Pitch circle diameter (holes) |
| A | 45 mm | Flange width |
| Tmin | -30 °C | Operating temperature min. |
| Tmax | 120 °C | Operating temperature max. |
| MRL | 0.1 Nm | Bearing friction torque |
| caL | 400 N/µm | Rigidity axial |
| ckL | 65 Nm/mrad | Tilting stiffness |
| Mm | 0.102 kg*cm2 | Mass moment of inertia |
2 µm | Axial runout | |
ZM15 | recommended INA precision locknut for radial locking (not included) | |
AM15 | recommended INA precision locknut for axial locking (not included) | |
| MA | 10 Nm | Tightening torque nut |
5,484 N | Locknut force axial |
| Sealing | 2Z | Minimal gap seals on both sides |