PRODUCTS
- Home
- Giới thiệu sản phẩm
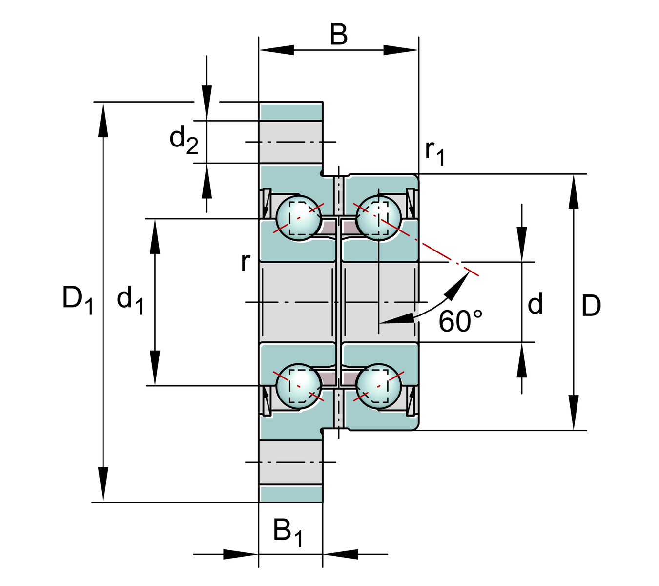
| d | 10 mm | Bore diameter |
0 mm | Bore diameter upper tolerance | |
-0.005 mm | Bore diameter lower tolerance | |
| D | 32 mm | Outside diameter |
0 mm | Outside diameter upper tolerance | |
-0.01 mm | Outside diameter lower tolerance | |
| B | 20 mm | Width |
0 mm | Width upper tolerance | |
-0.25 mm | Width lower tolerance | |
| Ca | 13,400 N | Basic dynamic load rating, axial |
| C0a | 18,800 N | Basic static load rating, axial |
| Cua | 850 N | Fatigue load limit, axial |
| nG Grease | 10,900 1/min | Limiting speed for grease lubrication |
| nϑ | 4,600 1/min | Thermally permissible speed |
| ≈m | 0.124 kg | Weight |
| da min | 14 mm | Minimum diameter shaft shoulder |
| da max | 27 mm | Maximum diameter of shaft shoulder |
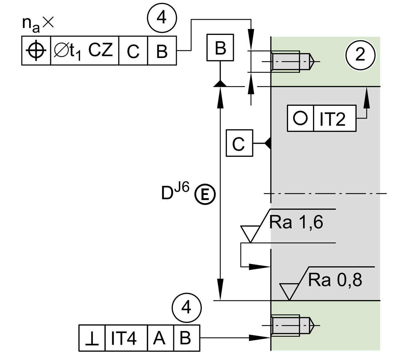
| t1 | 0.1 mm | position tolerance |
M5 | Screw size | |
| na | 4 | Number of screws |
| d1 | 21 mm | Rib diameter inner ring |
| rmin | 0.3 mm | Minimum chamfer dimension |
| r1 min | 0.6 mm | Minimum chamfer dimension |
| B1 | 8 mm | Thickness of flange |
| d2 | 5.5 mm | Fixing boring diameter |
| J | 40 mm | Pitch circle diameter (holes) |
| A | 35 mm | Flange width |
| Tmin | -30 °C | Operating temperature min. |
| Tmax | 120 °C | Operating temperature max. |
| MRL | 0.12 Nm | Bearing friction torque |
| caL | 325 N/µm | Rigidity axial |
| ckL | 25 Nm/mrad | Tilting stiffness |
| Mm | 0.029 kg*cm2 | Mass moment of inertia |
2 µm | Axial runout | |
ZM10 | recommended INA precision locknut for radial locking (not included) | |
| MA | 6 Nm | Tightening torque nut |
4,891 N | Locknut force axial |
| Sealing | 2RS | Contact lip seals on both sides |