PRODUCTS

  • Home
  • Giới thiệu sản phẩm

INA
WH80-H7-C60
Hollow shaft WH80-H7-C60
Thêm vào yêu cầu báo giá
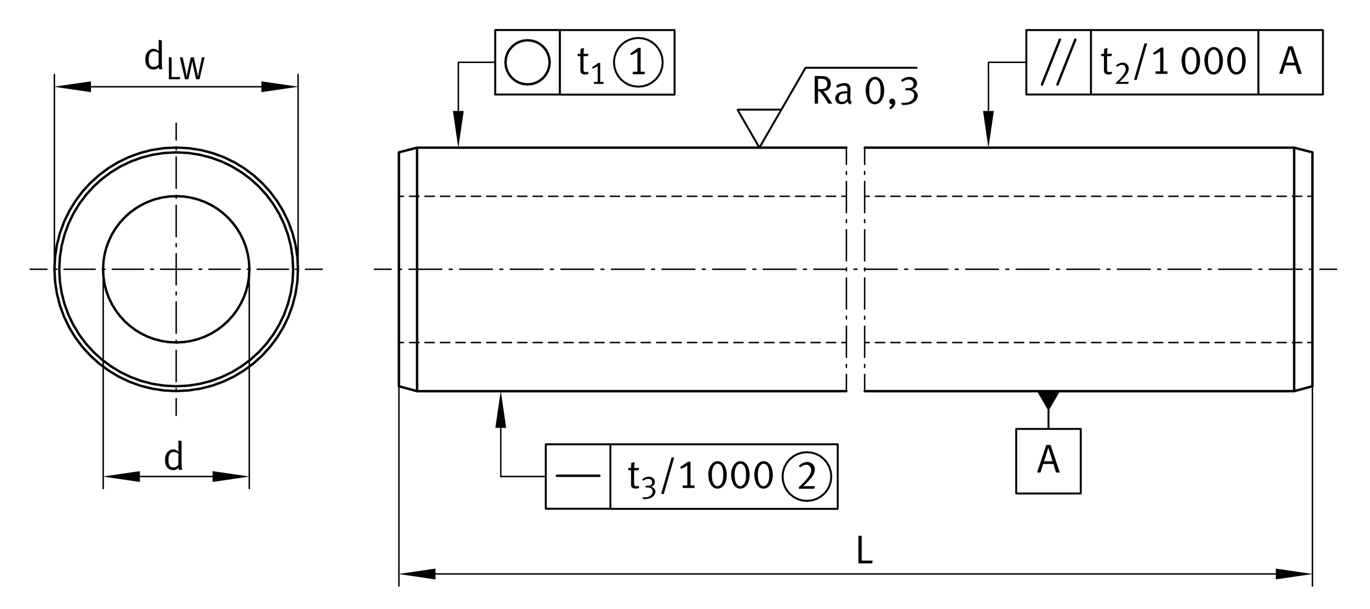
Main Dimensions & Performance Data
dLW
80 mm
Diameter Shaft
dLWTol
h7
Diameter tolerance shaft
h7Tol
0 µm
Diameter Shaft high
h7Tol
-30 µm
Diameter Shaft low
d
57.4 mm
inner diameter
dTol
0.35 mm
Inner diameter tolerance high
dTol
-0.35 mm
Inner diameter tolerance low
Lmax
5,700 mm
Length total maximum
≈m
20.8 kg/m
Weight

Mounting dimensions
SHDmin
2.2 mm
Surface Hardness Depth 1
t2
13 µm
Parallelism
t3
0.1 µm
Straightness

Your current product variant
Size code80
Tolerance diameterh7
MaterialC60Heat treatable steel (material no.:1.0601)
Thêm vào yêu cầu báo giá