PRODUCTS

  • Home
  • Giới thiệu sản phẩm

INA
WH40-H7-C60
Hollow shaft WH40-H7-C60
Thêm vào yêu cầu báo giá
Main Dimensions & Performance Data
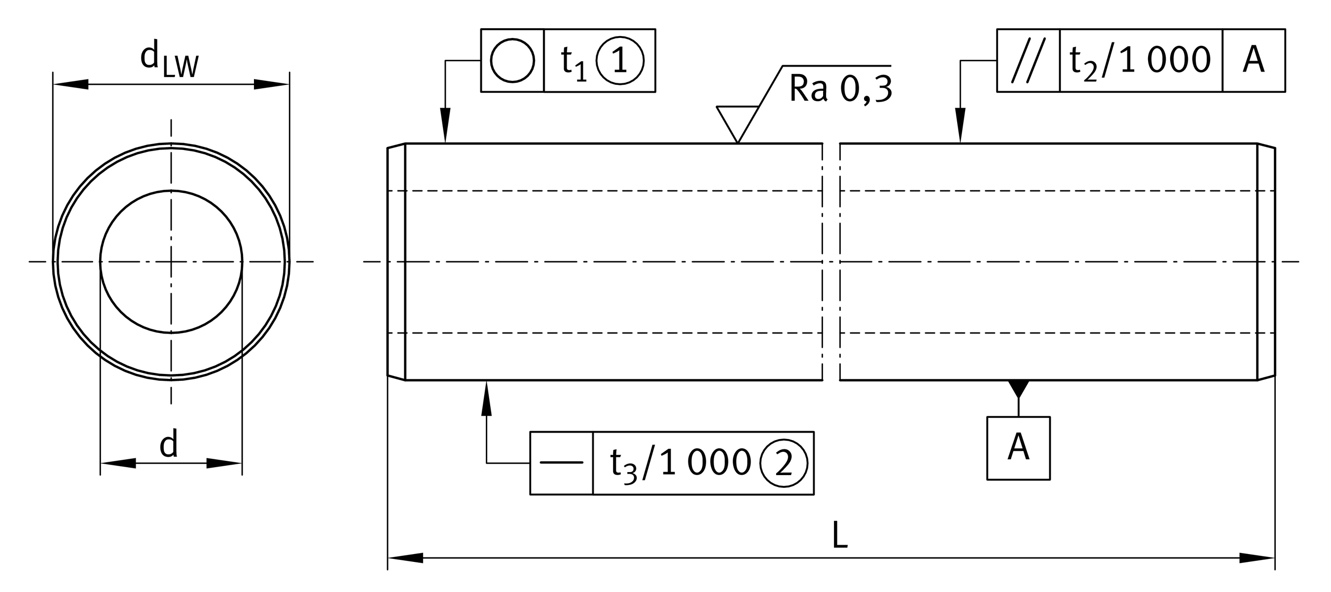
dLW
40 mm
Diameter Shaft
dLWTol
h7
Diameter tolerance shaft
h7Tol
0 µm
Diameter Shaft high
h7Tol
-25 µm
Diameter Shaft low
d
26 mm
inner diameter
dTol
0.15 mm
Inner diameter tolerance high
dTol
-0.15 mm
Inner diameter tolerance low
Lmax
7,300 mm
Length total maximum
≈m
5.7 kg/m
Weight

Mounting dimensions
SHDmin
1.5 mm
Surface Hardness Depth 1
t2
11 µm
Parallelism
t3
0.1 µm
Straightness

Your current product variant
Size code40
Tolerance diameterh7
MaterialC60Heat treatable steel (material no.:1.0601)
Thêm vào yêu cầu báo giá