PRODUCTS

  • Home
  • Giới thiệu sản phẩm

INA
WH20-H7-C60
Hollow shaft WH20-H7-C60
Thêm vào yêu cầu báo giá
Main Dimensions & Performance Data
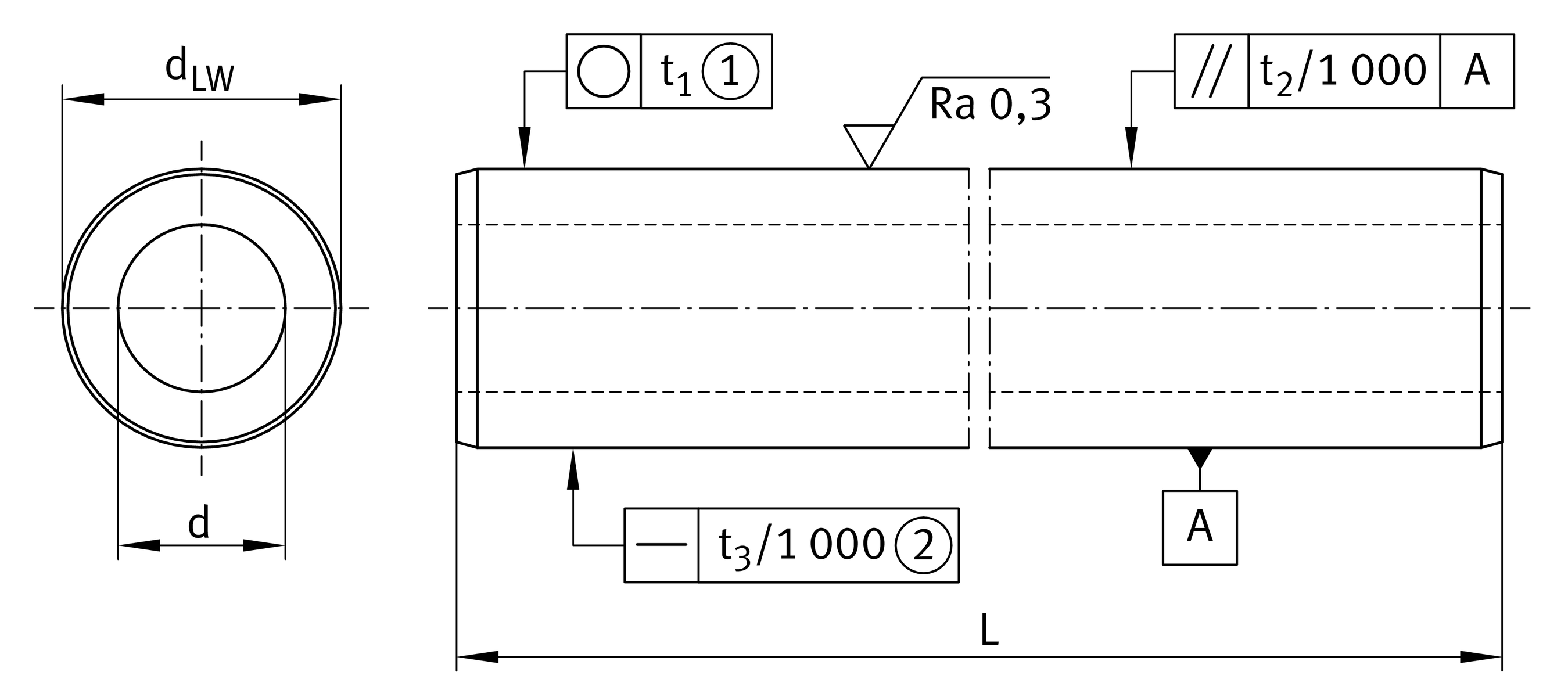
dLW
20 mm
Diameter Shaft
dLWTol
h7
Diameter tolerance shaft
h7Tol
0 µm
Diameter Shaft high
h7Tol
-21 µm
Diameter Shaft low
d
14 mm
inner diameter
dTol
0.15 mm
Inner diameter tolerance high
dTol
-0.15 mm
Inner diameter tolerance low
Lmax
5,700 mm
Length total maximum
≈m
1.28 kg/m
Weight

Mounting dimensions
SHDmin
1.2 mm
Surface Hardness Depth 1
t2
9 µm
Parallelism
t3
0.2 µm
Straightness

Your current product variant
Size code20
Tolerance diameterh7
MaterialC60Heat treatable steel (material no.:1.0601)
Thêm vào yêu cầu báo giá