PRODUCTS
- Home
- Giới thiệu sản phẩm
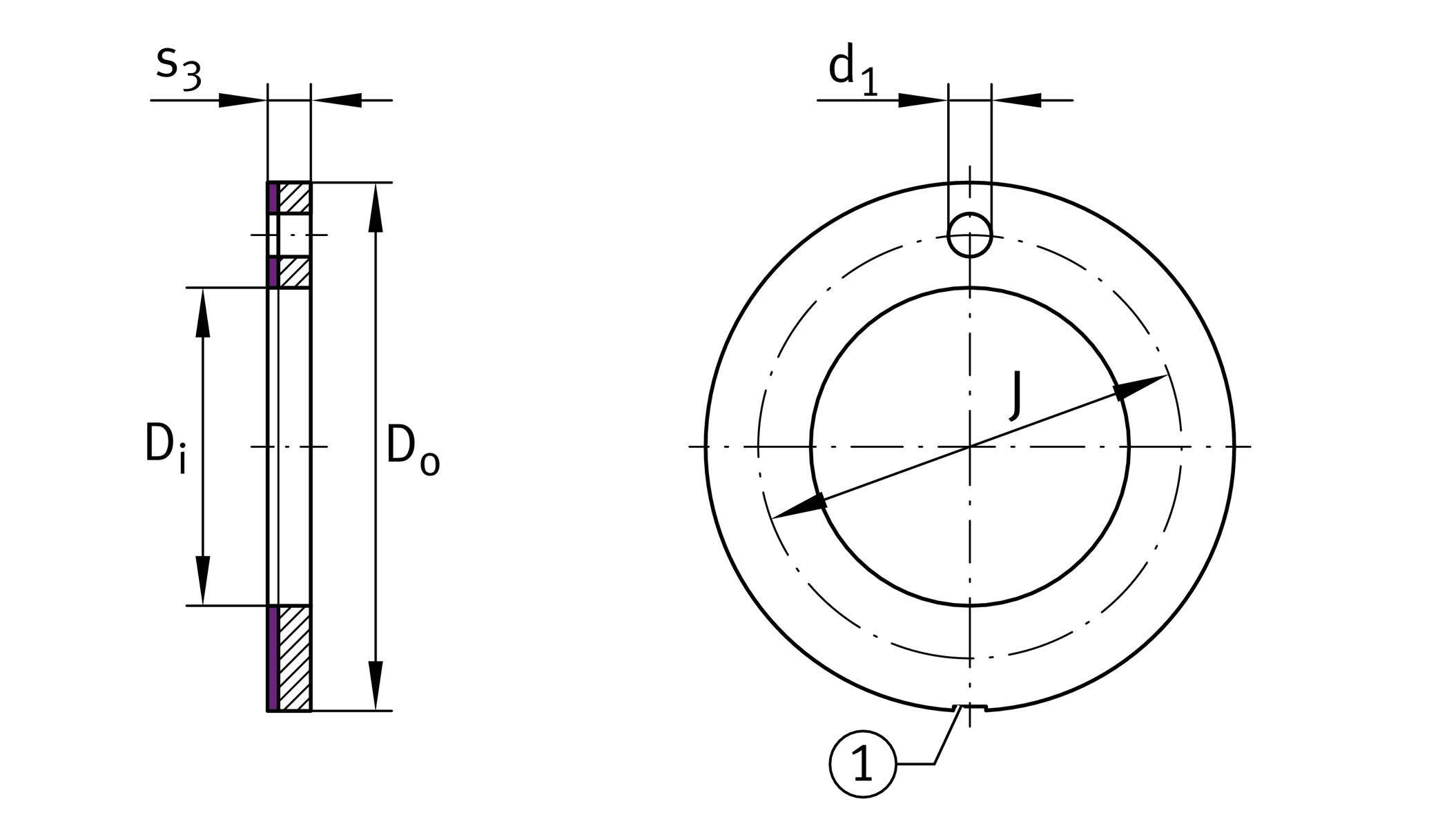
| Di | 6 mm | Inner diameter |
| s3 | 0.75 mm | Wall thickness |
| Ca | 16,100 N | Basic dynamic load rating, axial |
| C0a | 28,700 N | Basic static load rating, axial |
| Do | 13.5 mm | Outer Diameter |
| ≈m | 0.7 g | Weight |
| Di OT | 0.25 mm | Inner diameter, upper tolerance |
| Di UT | 0 mm | Inner diameter, lower tolerance |
| Do OT | 0 mm | Outside diameter, upper tolerance |
| Do UT | -0.25 mm | Outside diameter, lower tolerance |
| s3 OT | 0 mm | Wall thickness, upper tolerance |
| s3 UT | -0.05 mm | Wall thickness, lower tolerance |
| Tmin | -200 °C | Operating temperature min. |
| Tmax | 280 °C | Operating temperature max. |
| Material sliding Layer | E40 | Maintenance-free sliding layer E40 |
| Material back | Steel |