PRODUCTS
- Home
- Giới thiệu sản phẩm
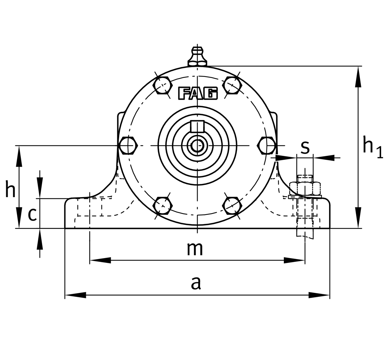
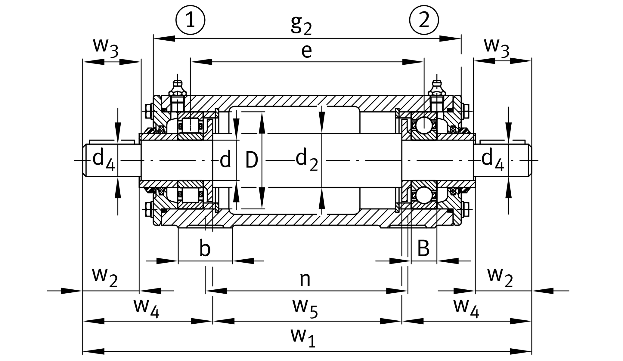
| d | 90 mm | Shaft diameter |
| a | 350 mm | Length base |
| h1 | 227 mm | Height |
| g2 | 600 mm | Total width with cover |
| ≈m | 131 kg | Weight |
| B | 43 mm | width |
| b | 85 mm | width base |
| c | 30 mm | heigth base |
| D | 190 mm | outside diameter bearing |
| d2 | 105 mm | shaft diameter shoulder |
| d4 | 80 mm | Shaft dieameter outside |
| e | 511 mm | locking collar width |
| h | 112 mm | center heigth |
| m | 290 mm | distance fixing bore |
| n | 460 mm | bore distance width |
| s | M16 | size of fixing screws |
| w1 | 975 mm | length shaft total |
| w2 | 170 mm | distance shaft end |
| w3 | 173 mm | length shaft tap |
| w4 | 264.5 mm | lenght shaft end |
| w5 | 446 mm | length shaft shoulder |
NU318-E-TVP2-C3 | bearing designation | |
6318-C3 | reference bearing designation | |
VR318-D | housing |