PRODUCTS
- Home
- Giới thiệu sản phẩm
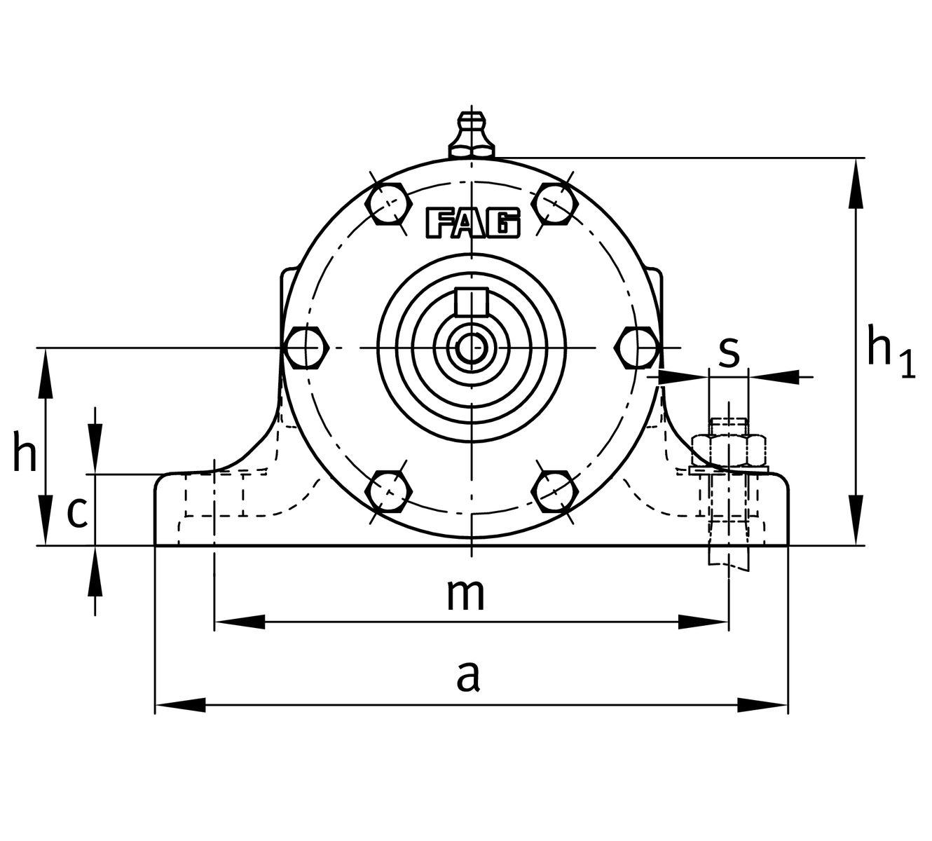
| d | 85 mm | Shaft diameter |
| a | 350 mm | Length base |
| h1 | 222 mm | Height |
| g2 | 570 mm | Total width with cover |
| ≈m | 120.9 kg | Weight |
| B | 41 mm | width |
| b | 80 mm | width base |
| c | 30 mm | heigth base |
| D | 180 mm | outside diameter bearing |
| d2 | 100 mm | shaft diameter shoulder |
| d4 | 75 mm | Shaft dieameter outside |
| e | 466.5 mm | locking collar width |
| h | 112 mm | center heigth |
| m | 290 mm | distance fixing bore |
| n | 440 mm | bore distance width |
| s | M16 | size of fixing screws |
| w1 | 881 mm | length shaft total |
| w2 | 140 mm | distance shaft end |
| w3 | 143 mm | length shaft tap |
| w4 | 229.5 mm | lenght shaft end |
| w5 | 381 mm | length shaft shoulder |
| w7 | 270.5 mm | Lenght shaft end |
NU317-E-TVP2-C3 | bearing designation | |
2X7317-B-TVP-UA | reference bearing designation | |
VR317-C | housing |