PRODUCTS

  • Home
  • Giới thiệu sản phẩm

FAG
VRE310-C
Plummer block housing unit VRE310-C
Thêm vào yêu cầu báo giá
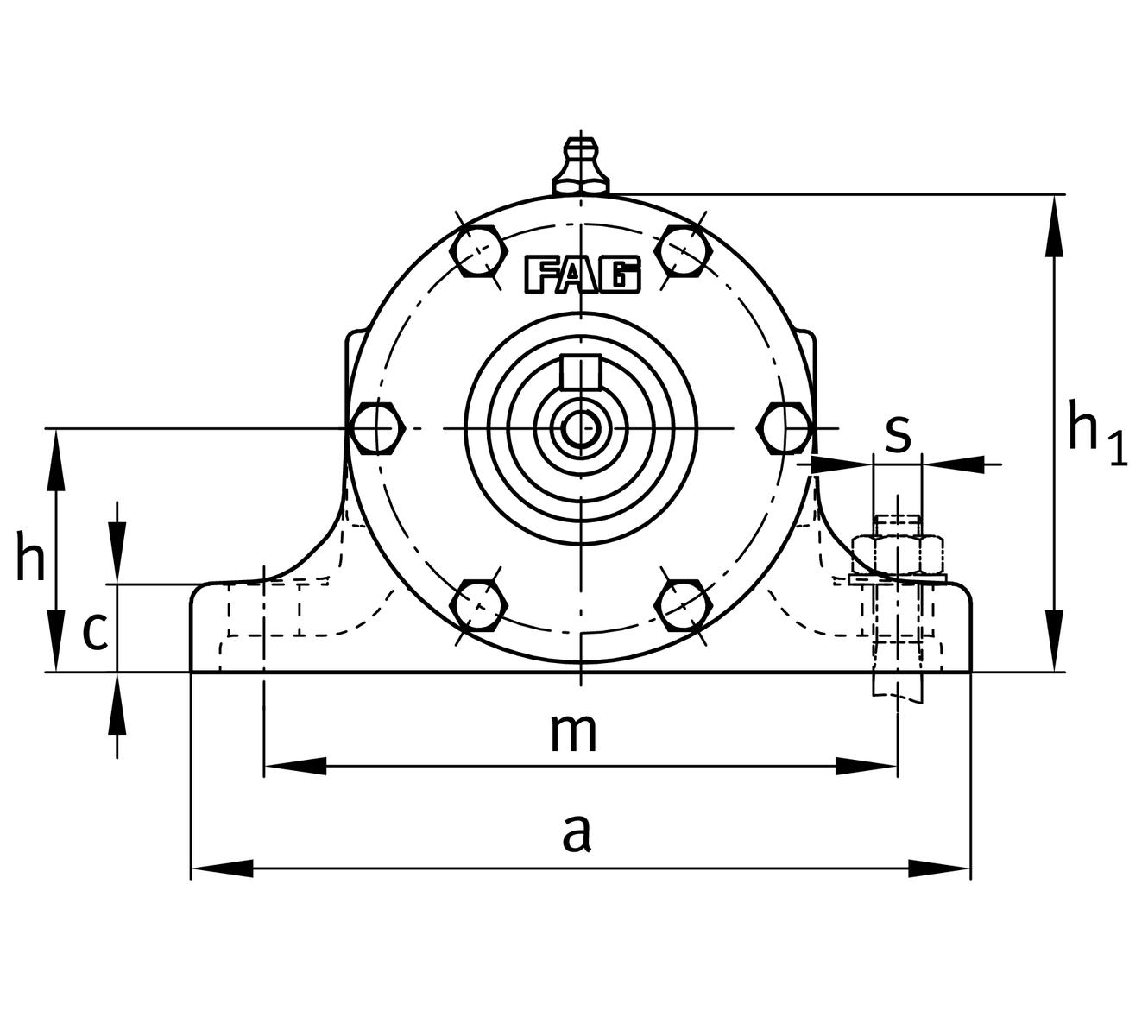
Main Dimensions & Performance Data
d
50 mm
Shaft diameter
a
210 mm
Length base
h1
138 mm
Height
g2
381 mm
Total width with cover
≈m
28.5 kg
Weight

Dimensions
B
27 mm
width
b
60 mm
width base
c
25 mm
heigth base
D
110 mm
outside diameter bearing
d2
60 mm
shaft diameter shoulder
d4
42 mm
Shaft dieameter outside
e
300.5 mm
locking collar width
h
70 mm
center heigth
m
170 mm
distance fixing bore
n
275 mm
bore distance width
s
M12
size of fixing screws
w1
625 mm
length shaft total
w2
110 mm
distance shaft end
w3
112 mm
length shaft tap
w4
179 mm
lenght shaft end
w5
240 mm
length shaft shoulder
w7
206 mm
Lenght shaft end

Additional information
NU310-E-TVP2-C3
bearing designation
2X7310-B-TVP-UA
reference bearing designation
VR310-C
housing
Thêm vào yêu cầu báo giá