PRODUCTS

  • Home
  • Giới thiệu sản phẩm

FAG
VRE309-C
Plummer block housing unit VRE309-C
Thêm vào yêu cầu báo giá
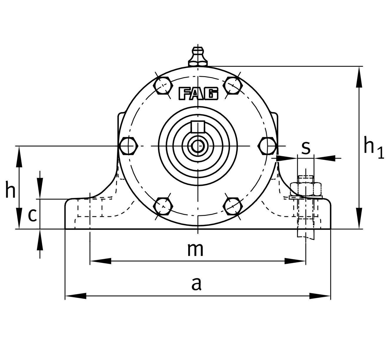
Main Dimensions & Performance Data
d
45 mm
Shaft diameter
a
210 mm
Length base
h1
135 mm
Height
g2
343 mm
Total width with cover
≈m
25.3 kg
Weight

Dimensions
B
25 mm
width
b
52 mm
width base
c
22 mm
heigth base
D
100 mm
outside diameter bearing
d2
55 mm
shaft diameter shoulder
d4
38 mm
Shaft dieameter outside
e
269.5 mm
locking collar width
h
70 mm
center heigth
m
170 mm
distance fixing bore
n
250 mm
bore distance width
s
M12
size of fixing screws
w1
527 mm
length shaft total
w2
80 mm
distance shaft end
w3
82 mm
length shaft tap
w4
145 mm
lenght shaft end
w5
212 mm
length shaft shoulder
w7
170 mm
Lenght shaft end

Additional information
NU309-E-TVP2-C3
bearing designation
2X7309-B-TVP-UA
reference bearing designation
VR309-C
housing
Thêm vào yêu cầu báo giá