PRODUCTS

  • Home
  • Giới thiệu sản phẩm

FAG
VRE307-D
Plummer block housing unit VRE307-D
Thêm vào yêu cầu báo giá
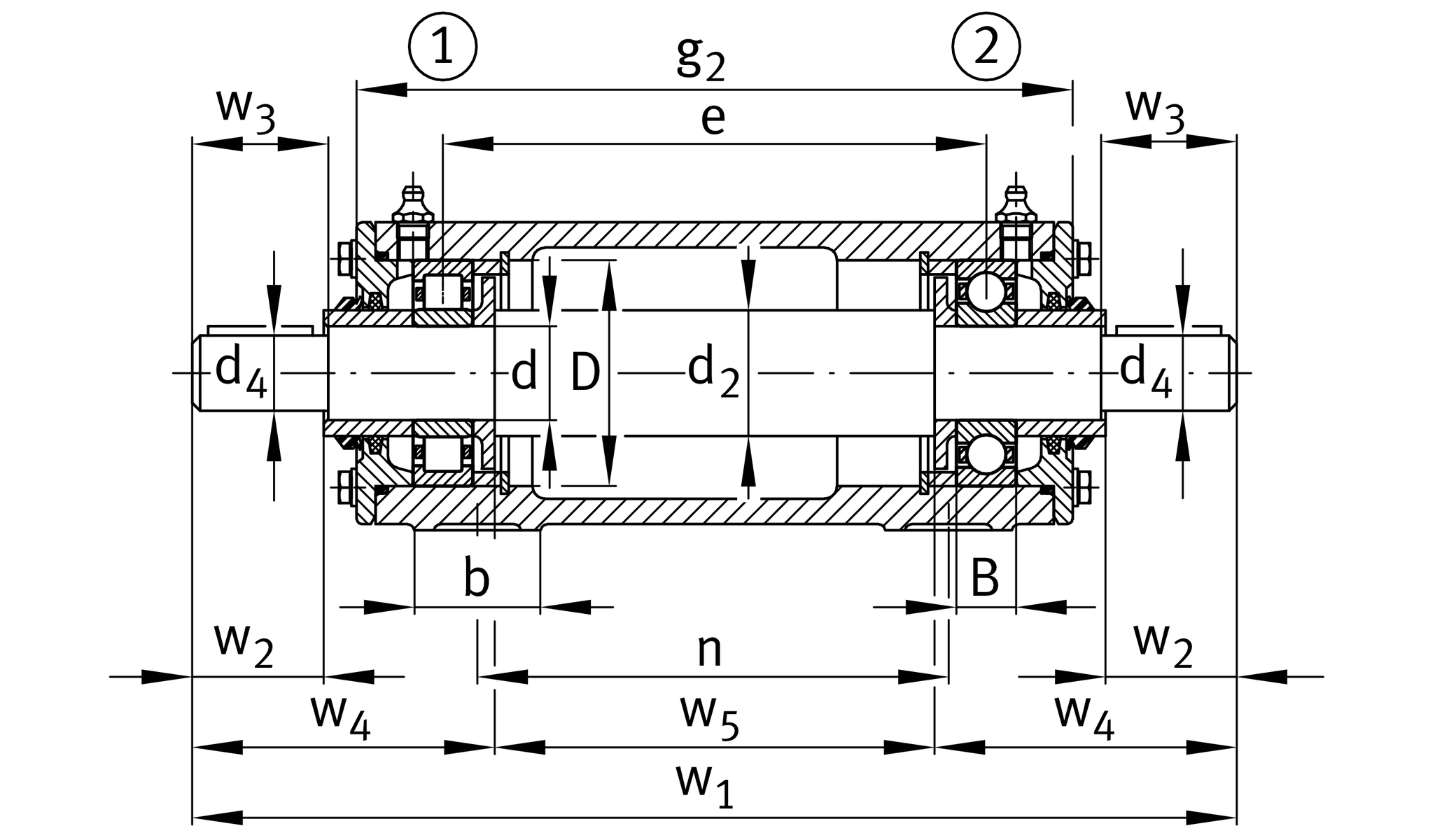
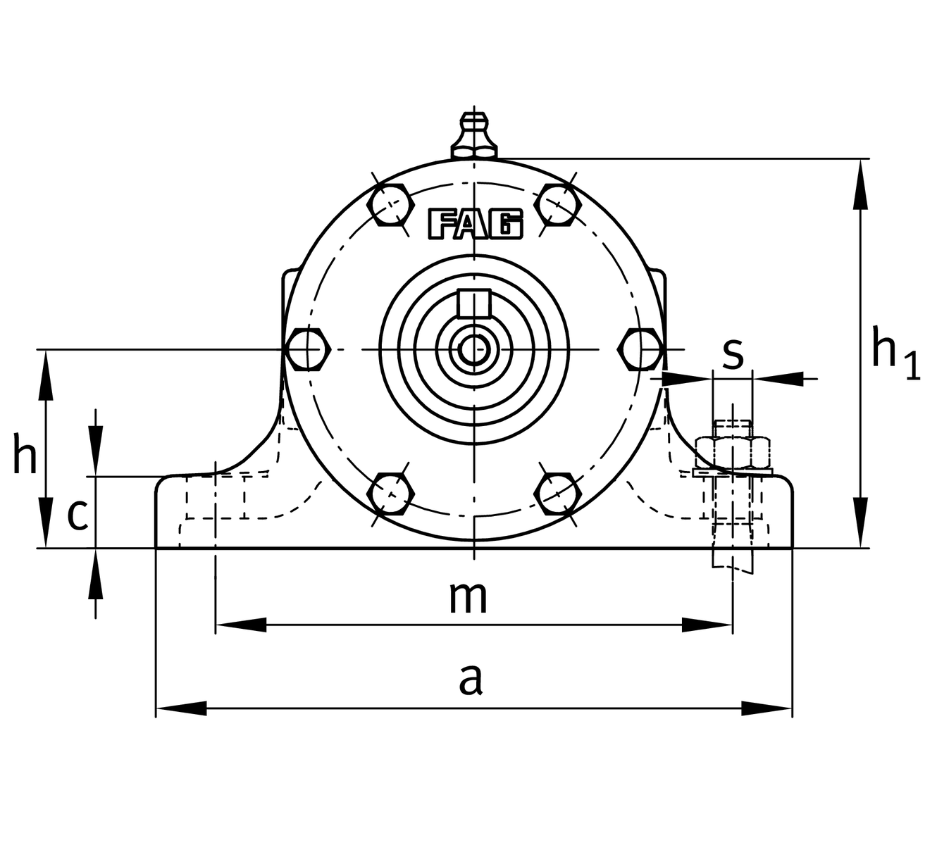
Main Dimensions & Performance Data
d
35 mm
Shaft diameter
a
190 mm
Length base
h1
113 mm
Height
g2
255 mm
Total width with cover
≈m
13.3 kg
Weight

Dimensions
B
21 mm
width
b
45 mm
width base
c
18 mm
heigth base
D
80 mm
outside diameter bearing
d2
45 mm
shaft diameter shoulder
d4
28 mm
Shaft dieameter outside
e
198 mm
locking collar width
h
60 mm
center heigth
m
150 mm
distance fixing bore
n
175 mm
bore distance width
s
M12
size of fixing screws
w1
399 mm
length shaft total
w2
60 mm
distance shaft end
w3
62 mm
length shaft tap
w4
119 mm
lenght shaft end
w5
161 mm
length shaft shoulder

Additional information
NU307-E-TVP2-C3
bearing designation
6307-C3
reference bearing designation
VR307-D
housing
Thêm vào yêu cầu báo giá