PRODUCTS

  • Home
  • Giới thiệu sản phẩm

INA
VLU201094-ZT
Slewing Ring, Four Point contact bearing, without gear teeth VLU201094-ZT
Thêm vào yêu cầu báo giá
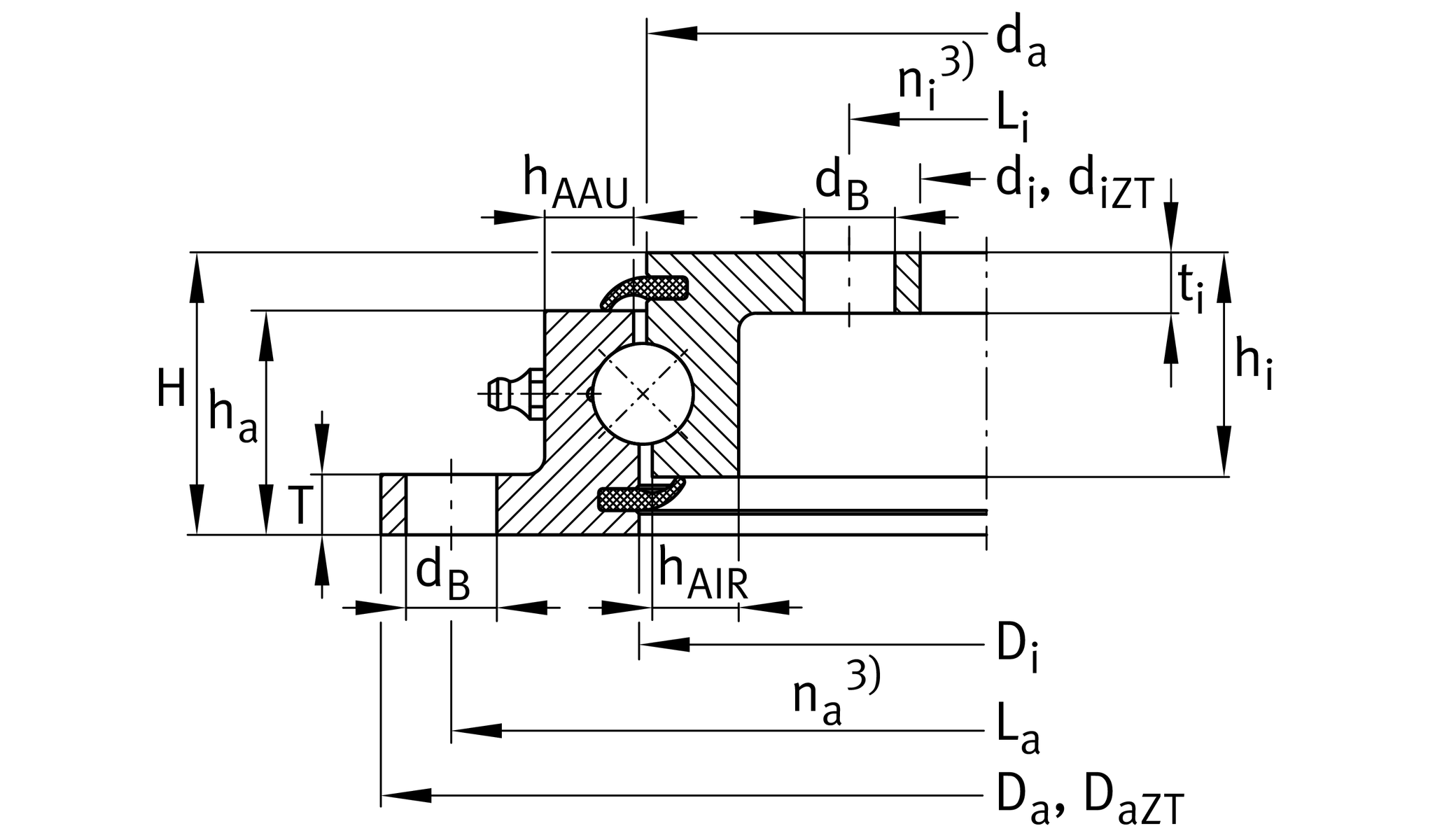
Main Dimensions & Performance Data
diZT
986 mm
Diameter centring inner ring
IT8
Diameter centring inner ring tolerance
H
56 mm
Height
Da ZT
1,196 mm
Centring diameter outer ring
-IT8
Diameter centring outer ring tolerance
T
12 mm
Length centering outer ring
t
12 mm
Length centering inner ring
ha
44.5 mm
Width outer ring
hi
44.5 mm
Width inner ring
≈m
62.5 kg
Weight

Dimensions
Di
1,095.5 mm
Inner diameter outer ring
0.7 mm
Inner diameter outer ring upper tolerance
0 mm
Inner diameter outer ring lower tolerance
da
1,092.5 mm
Outside diameter inner ring
0 mm
Outside diameter inner ring upper tolerance
-0.7 mm
Outside diameter inner ring lower tolerance
dB
18 mm
Fixing bore
La
1,170 mm
Pitchcircle diameter fixing holes outer ring
na
16
Number of fixing holes in outer ring
Li
1,012 mm
Pitchcircle diameter fixing holes inner ring
ni
20
Number of fixing holes in inner ring
Fr zul
141,000 N
Max. radial load fixing screws (friction locking)
hA
20 mm
Ring cross section

Temperature range
Tmin
-25 °C
Operating temperature min.
Tmax
80 °C
Operating temperature max.

Calculation factors
Ca
198,000 N
Basic dynamic load rating, axial
C0a
780,000 N
Basic static load rating, axial
Cr
179,000 N
Basic dynamic load rating, radial (for radial load only)
C0r
290,000 N
Basic static load rating, radial (for radial load only)

Your current product variant
CenteringZTCentering on inner and outer ring
Radial internal clearanceStandard_VLStandard radial clearance 0 to 0,5 and axial tilting clearance 0 to 0,7
Thêm vào yêu cầu báo giá