PRODUCTS

  • Home
  • Giới thiệu sản phẩm

INA
VLU200844-ZT
Slewing Ring, Four Point contact bearing, without gear teeth VLU200844-ZT
Thêm vào yêu cầu báo giá
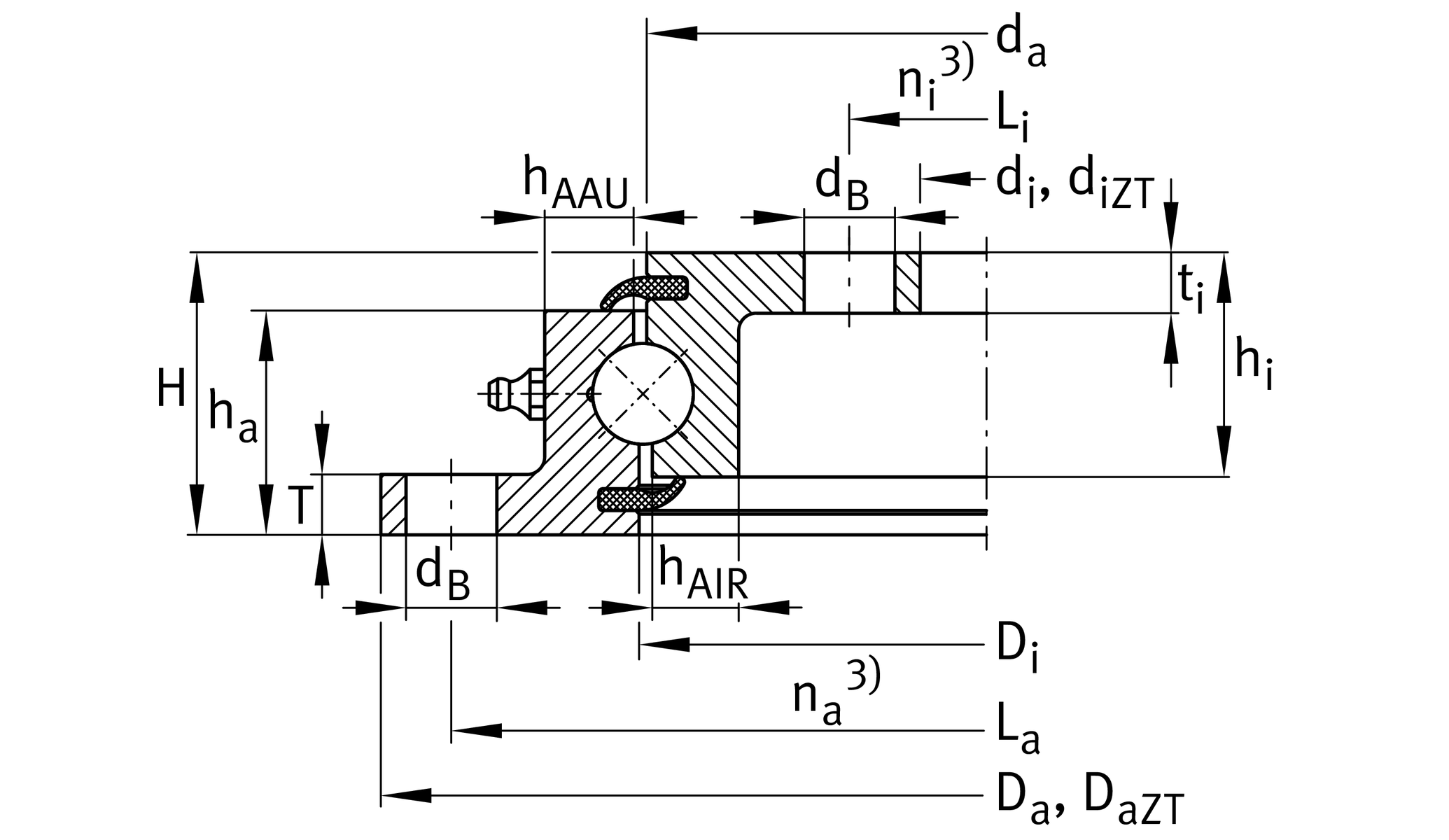
Main Dimensions & Performance Data
diZT
736 mm
Diameter centring inner ring
IT8
Diameter centring inner ring tolerance
H
56 mm
Height
Da ZT
946 mm
Centring diameter outer ring
-IT8
Diameter centring outer ring tolerance
T
12 mm
Length centering outer ring
t
12 mm
Length centering inner ring
ha
44.5 mm
Width outer ring
hi
44.5 mm
Width inner ring
≈m
48 kg
Weight

Dimensions
Di
845.5 mm
Inner diameter outer ring
0.6 mm
Inner diameter outer ring upper tolerance
0 mm
Inner diameter outer ring lower tolerance
da
842.5 mm
Outside diameter inner ring
0 mm
Outside diameter inner ring upper tolerance
-0.6 mm
Outside diameter inner ring lower tolerance
dB
18 mm
Fixing bore
La
920 mm
Pitchcircle diameter fixing holes outer ring
na
14
Number of fixing holes in outer ring
Li
762 mm
Pitchcircle diameter fixing holes inner ring
ni
18
Number of fixing holes in inner ring
Fr zul
109,000 N
Max. radial load fixing screws (friction locking)
hA
20 mm
Ring cross section

Temperature range
Tmin
-25 °C
Operating temperature min.
Tmax
80 °C
Operating temperature max.

Calculation factors
Ca
180,000 N
Basic dynamic load rating, axial
C0a
600,000 N
Basic static load rating, axial
Cr
163,000 N
Basic dynamic load rating, radial (for radial load only)
C0r
224,000 N
Basic static load rating, radial (for radial load only)

Your current product variant
CenteringZTCentering on inner and outer ring
Radial internal clearanceStandard_VLStandard radial clearance 0 to 0,5 and axial tilting clearance 0 to 0,7
Thêm vào yêu cầu báo giá