PRODUCTS

  • Home
  • Giới thiệu sản phẩm

INA
UZ9741
Guideways with three raceways UZ.. UZ9741
Thêm vào yêu cầu báo giá
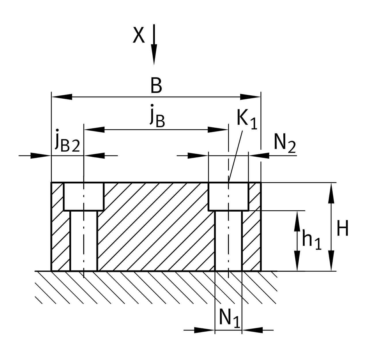
Main Dimensions & Performance Data
lmax
3,000 mm
length maximum 1
B
97 mm
width
Tol B
-0,1
tolerance
H
41 mm
height
Tol H
-0,1
tolerance

Mounting dimensions
jB
67 mm
jB2
15 mm
jL
80 mm
aR min
15 mm
2
aR max
55 mm
2
aL min
15 mm
2
aL max
55 mm
2
27.5 mm
N2
18.5 mm
K1
M10
fixing srews (DIN ISO 4762-12.9)
K1 MA
83 Nm
torques fixing screws 3
d1
12.5 mm
bore diameter

Related products
KVK18,5
suitable closing plug 4
RUS26086, RUS26102, RUS26126, RUSV42086-KS, RUSV42102-KS, RUSV42126-KS, PR14061
suitable for linear roller bearing 5

Your current product variant
Size code9741
Thêm vào yêu cầu báo giá