PRODUCTS

  • Home
  • Giới thiệu sản phẩm

INA
UGN6628
Guideways with four raceways, with slot UGN6628
Thêm vào yêu cầu báo giá
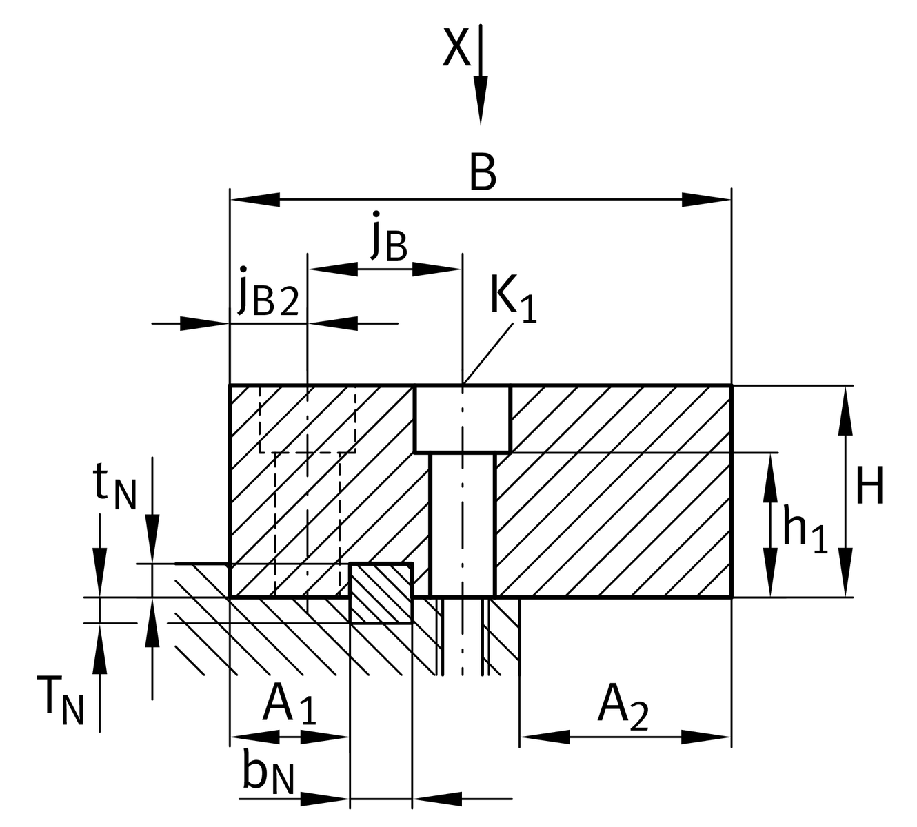
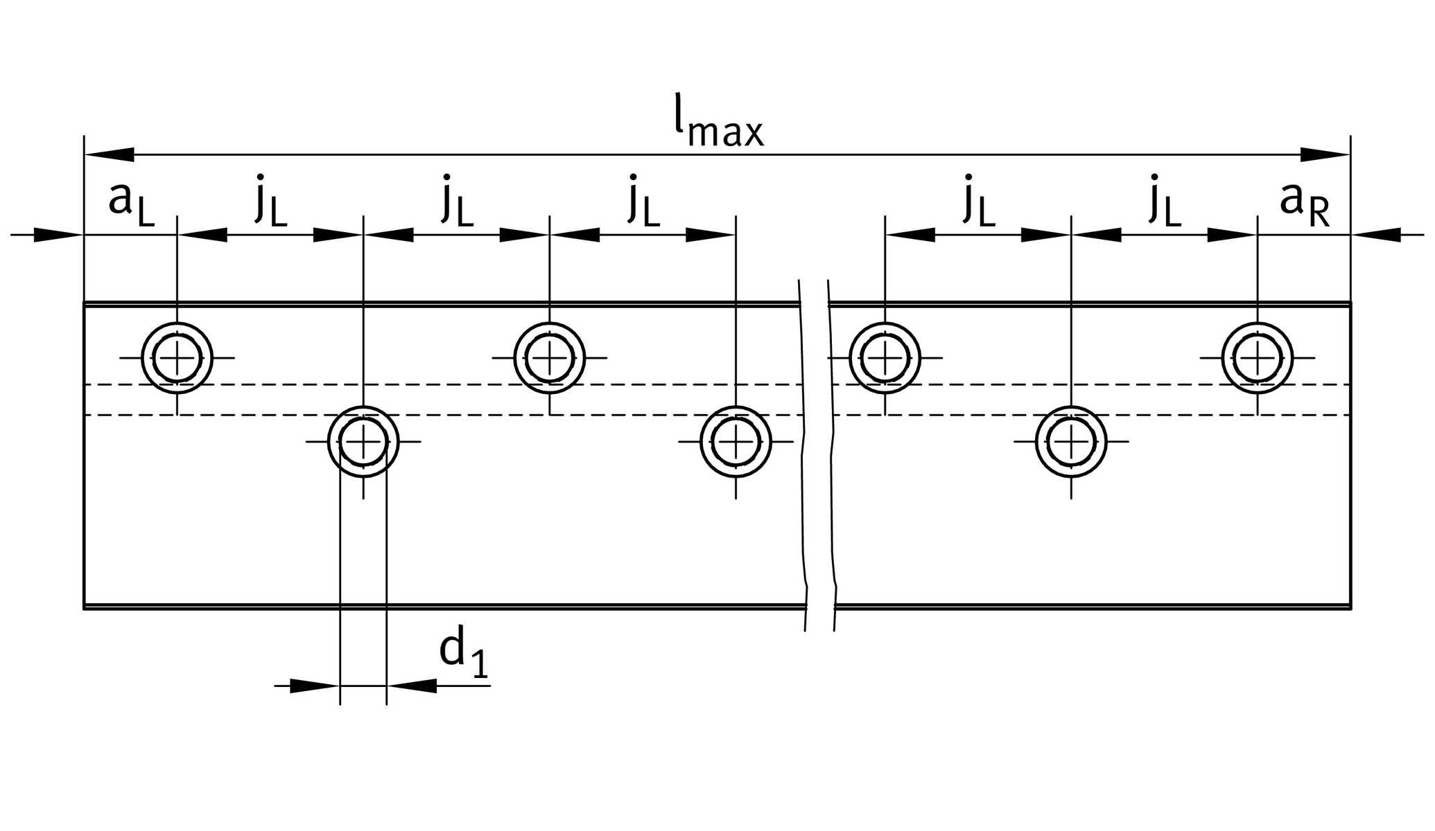
Main Dimensions & Performance Data
lmax
2,000 mm
length maximum 1
66 mm
width
Tol B
-0,1
tolerance
H
28 mm
height
Tol H
-0,1
tolerance

Mounting dimensions
jB
18 mm
jB2
12 mm
jL
40 mm
aR min
15 mm
2
aR max
35 mm
2
aL min
15 mm
2
aL max
35 mm
2
h1
16.5 mm
A2 max
28 mm
N2
15 mm
A1
17.75 mm
slot position 3
bN
6.5 mm
width slot 3
TN
2.5 mm
3
tN
3.5 mm
3
5x5
square steel bar DIN EN 10278 4
K1
M8
fixing srews (DIN ISO 4762-12.9)
K1 MA
41 Nm
torques fixing screws 5
d1
10 mm
bore diameter

Related products
KVK15
suitable closing plug 6
RUS19069, RUS19105, RUSV30069-KS, RUSV30105-KS, PR14032, PR14044
suitable for linear roller bearing 7

Your current product variant
Size code6628
Thêm vào yêu cầu báo giá