PRODUCTS

  • Home
  • Giới thiệu sản phẩm

INA
UG6628-BR-Q6
Guideways with four raceways UG6628-BR-Q6
Thêm vào yêu cầu báo giá
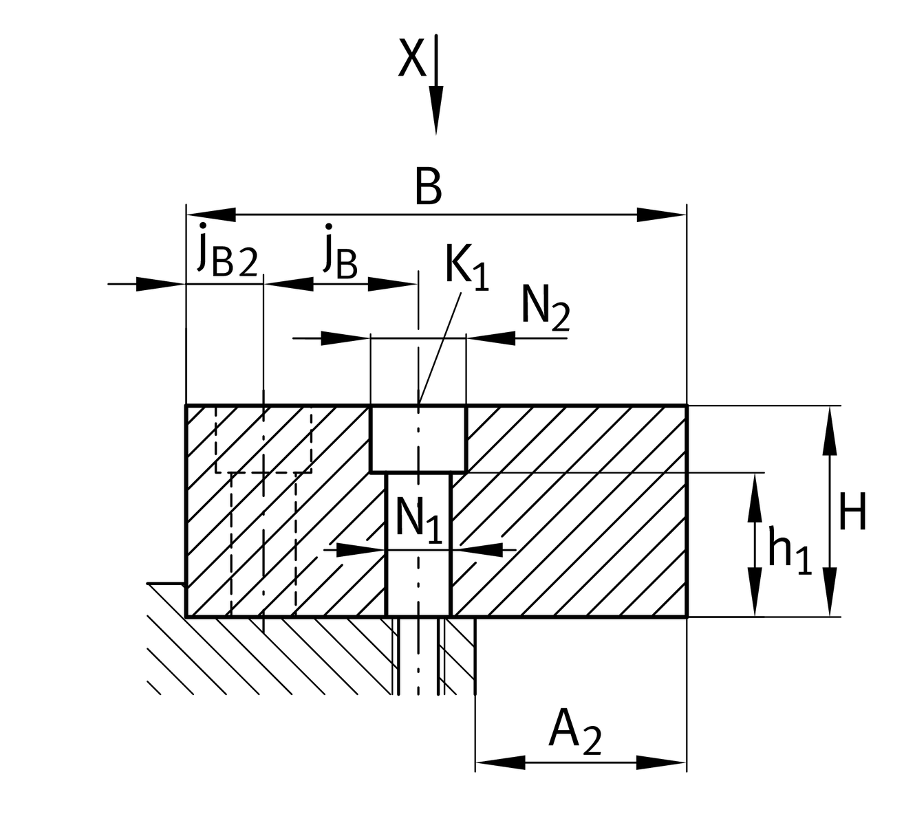
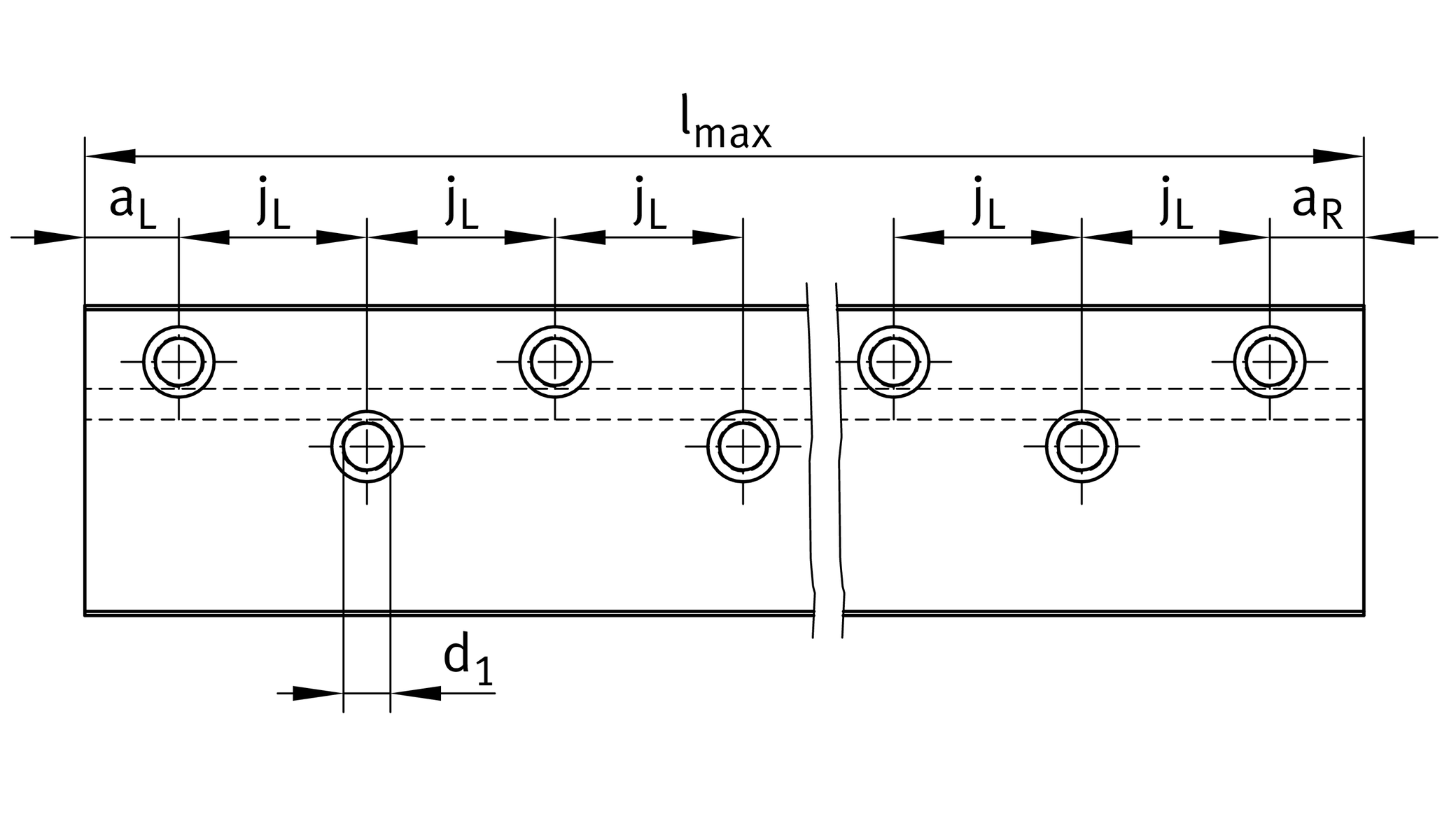
Main Dimensions & Performance Data
lmin
70 mm
length minimum
lmax
2,000 mm
length maximum 1
B
66 mm
width
Tol B
-0,1
tolerance
H
28 mm
height
Tol H
-0,1
tolerance

Mounting dimensions
jB
18 mm
jB2
12 mm
jL
40 mm
aR min
15 mm
2
aR max
35 mm
2
aL min
15 mm
2
a
35 mm
2
h1
16.5 mm
A2 max
28 mm
N2
15 mm
K1
M8
fixing srews (DIN ISO 4762-12.9)
K1 MA
41 Nm
torques fixing screws 3
d1
10 mm
bore diameter

Related products
KVK15
suitable closing plug 4
RUS19069, RUS19105, RUSV30069-KS, RUSV30105-KS, PR14032, PR14044
suitable linear roller bearing 5

Your current product variant
Size code6628
Hole pattern of guidewaysBRHole pattern on right side
Quality grade of guidewaysQ6requirements of precision table guidance systems in machine tool construction
Thêm vào yêu cầu báo giá