PRODUCTS

  • Home
  • Giới thiệu sản phẩm

INA
UFB6412
Guideways with one raceway, for screw mounting UFB6412
Thêm vào yêu cầu báo giá
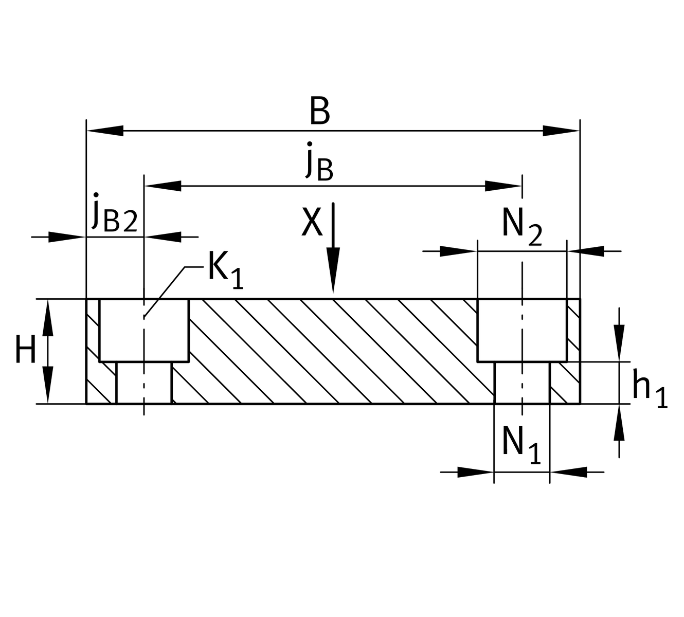
Main Dimensions & Performance Data
lmax
2,000 mm
length maximum 1
B
64 mm
width
Tol B
-0,1
tolerance
H
12 mm
height
Tol H
-0,1
tolerance

Mounting dimensions
jB
52 mm
jB2
6 mm
jL
80 mm
aR min
10 mm
aR max
50 mm
aL min
10 mm
aL max
50 mm
h1
4.5 mm
N2
10.5 mm
K1
M5
fixing srews (DIN ISO 4762-12.9) 2
d1
6.3 mm
bore diameter

Related products
RUS26086, RUS26102, RUS26126, RUS38134, RUS38206, RUSV42086-KS, RUSV42102-KS, RUSV42126-KS, RUSV60134-KS, RUSV60206-KS, PR14061, PR14089
suitable for linear roller bearing 3

Your current product variant
Size code6412
Thêm vào yêu cầu báo giá